Curiosii for ever!
: Car repair manuals for everyone.
Home
>>
Mazda
>>
1989
>>
626 L4-2184cc 2.2L SOHC F2
>>
Repair and Diagnosis
>>
Specifications
>>
Mechanical Specifications
>>
Engine
>>
System Specifications
>>
Torque Specifications
Torque Specifications
Intake Non-turbo:
Upper Engine:
Head Bolt Torque/Sequence:
Rocker Shaft Torque/Sequence:
Timing Components:
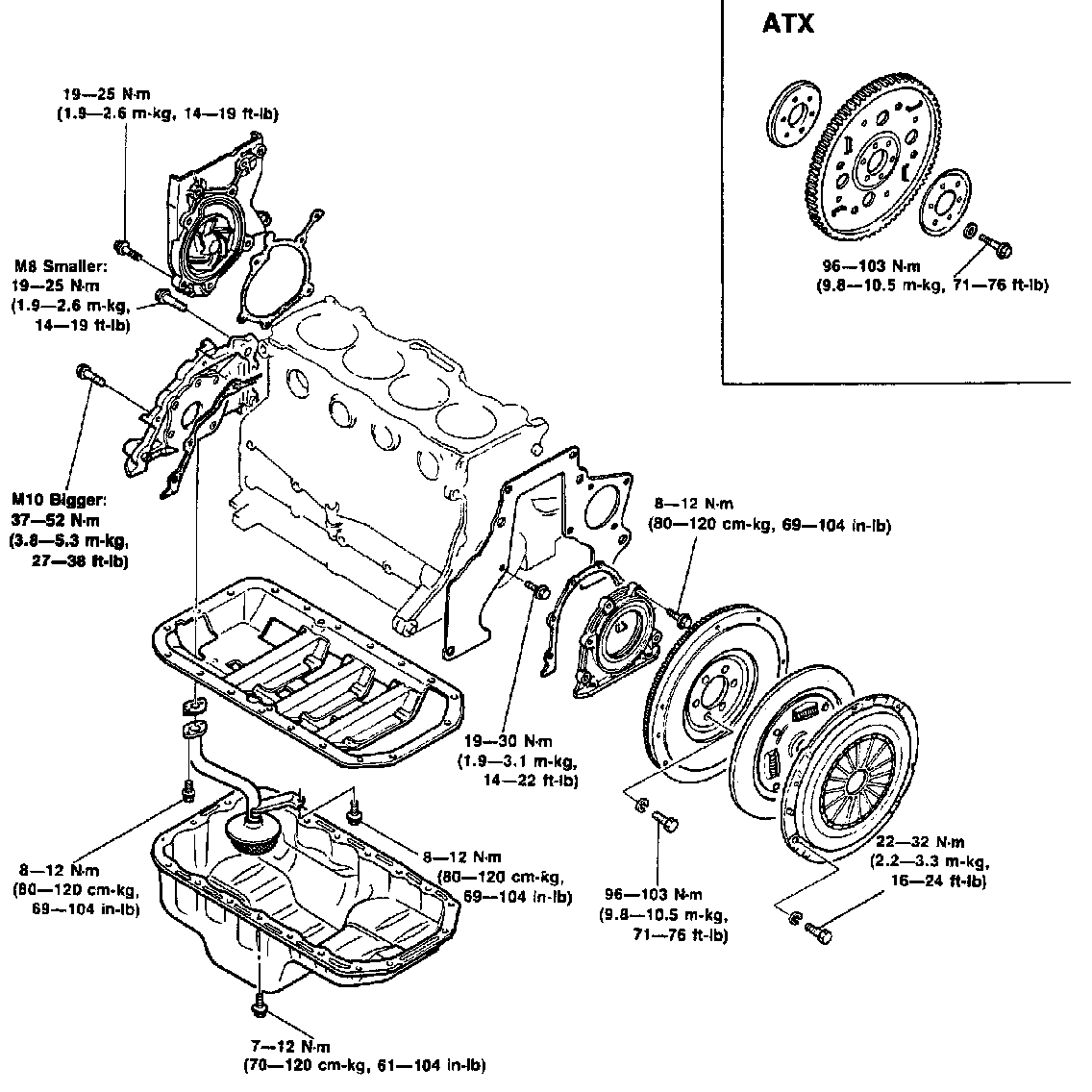
Lower Engine:
Main Bolt Torque/Sequence: