Curiosii for ever!
: Car repair manuals for everyone.
Home
>>
Mazda
>>
1989
>>
626 L4-2184cc 2.2L SOHC F2
>>
Repair and Diagnosis
>>
Powertrain Management
>>
Computers and Control Systems
>>
Electric Load Sensor
>>
Locations
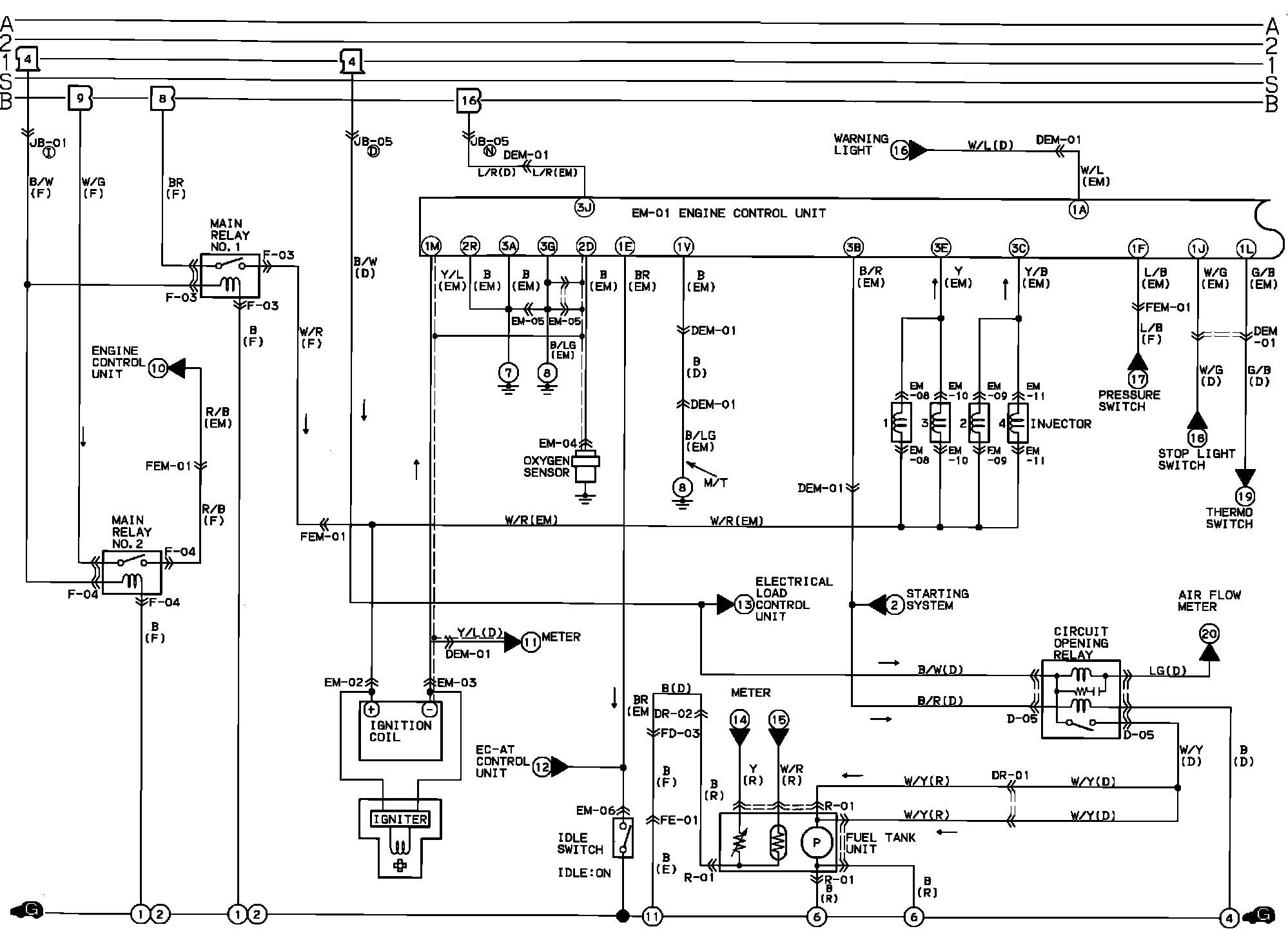
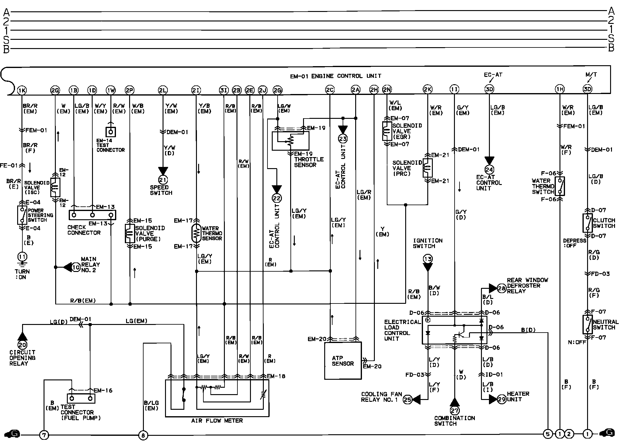
Electric Load Sensor: Locations
Fuel Tank Sending Unit, Fuel Injection & Ignition System. Non Turbo:
Fuel Injection System. Non Turbo:
Center Of Dash
Applicable to: Non-Turbocharged Engine