Curiosii for ever!
: Car repair manuals for everyone.
Home
>>
Mazda
>>
1989
>>
626 L4-2184cc 2.2L SOHC F2
>>
Repair and Diagnosis
>>
Diagrams
>>
Electrical Diagrams
>>
Steering
>>
Steering Control Module
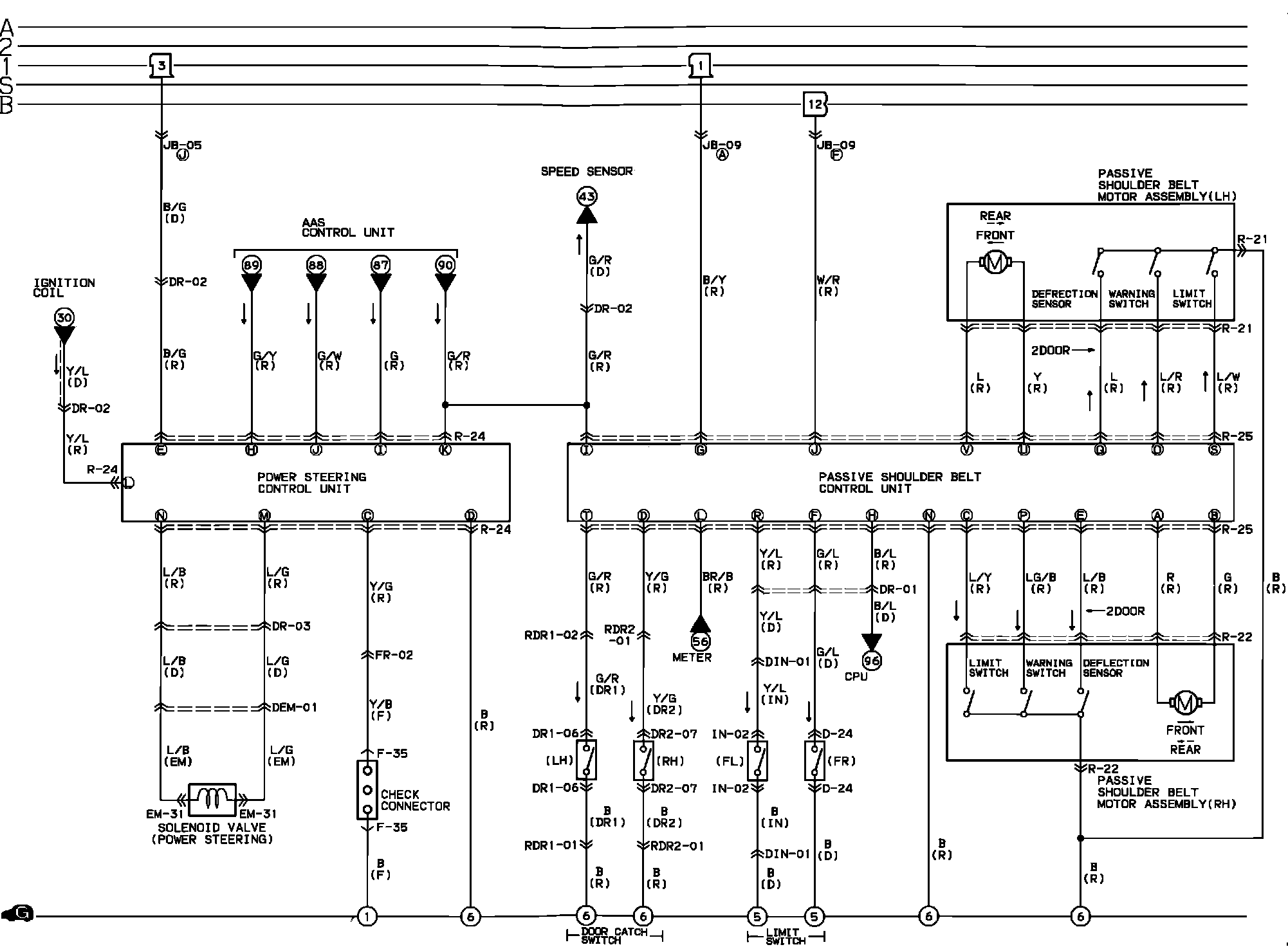
Steering Control Module
Automatic Shoulder Belt & Power Steering Control System. Without 4WS: