Curiosii for ever!: Car repair manuals for everyone.

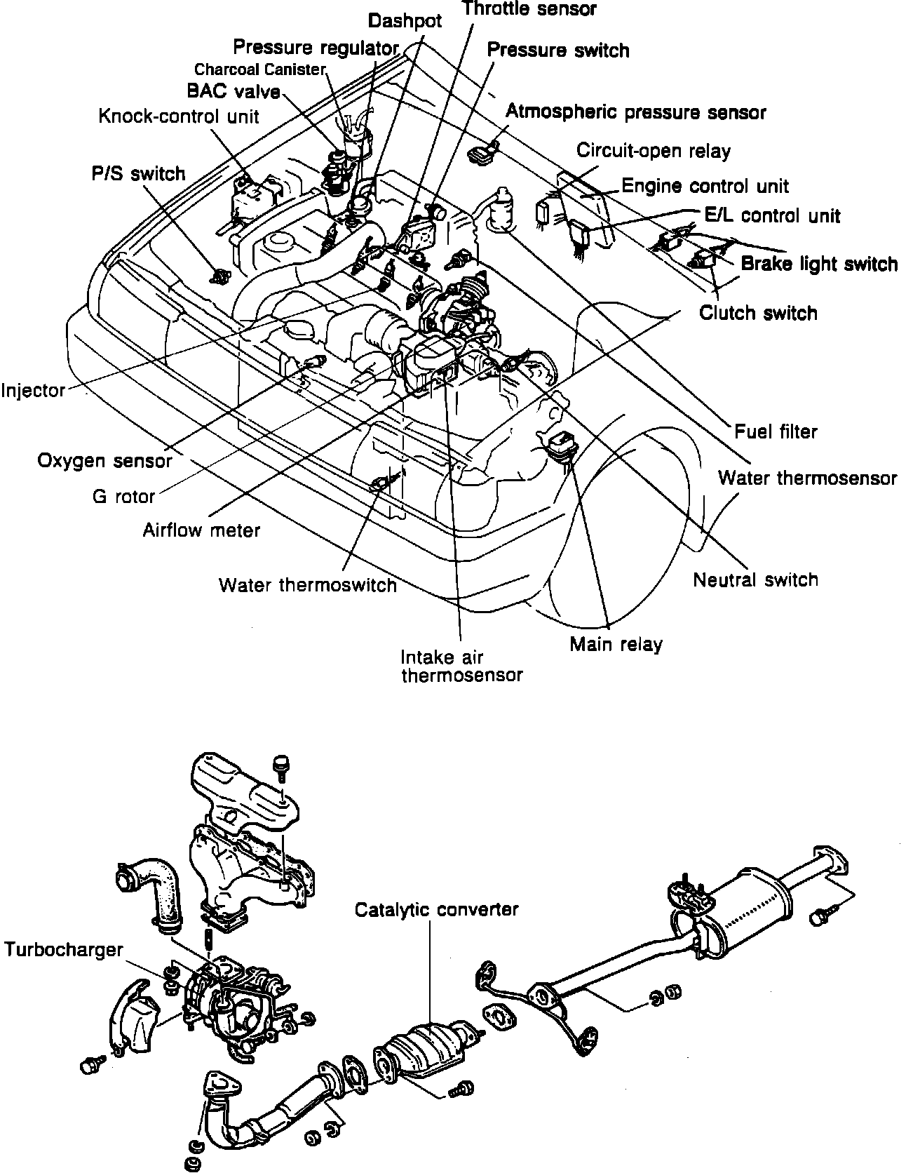
Component Locations

Component Locations:





AIR FLOW METER
Mounted on the air cleaner box.

AIR VALVE
Integrated into the By-Pass Air Control (BAC) Valve, mounted to the R.F. strut tower.

ATMOSPHERIC PRESSURE SENSOR
Mounted to the top/middle of the firewall.

BY-PASS AIR CONTROL (BAC) VALVE
Mounted to the R.F. strut tower.

BRAKE LIGHT SWITCH
Mounted on the control pedal assembly in the drivers compartment.

CENTRAL PROCESSING UNIT
Mounted to the body in the L.F. kick panel.

CHECK CONNECTORS
GREEN 6-Pin connector (for self-diagnosis checker) L.R. corner of the engine compartment.

CIRCUIT OPENING RELAY
Located in the behind the center of the dash panel.

CLUTCH SWITCH
Mounted to the control pedal bracket in the drivers compartment.

CRANK ANGLE SENSOR
Integrated into the distributor.

DISTRIBUTOR
Mounted to the left side of the cylinder head.

EGI MAIN RELAY
Located in the L.F. corner of the engine compartment.

ENGINE CONTROL UNIT
Located in front of the center console on the firewall.

FUEL PUMP
Located in the fuel tank, on top.

IDLE SPEED CONTROL (ISC) VALVE
Integrated into the BAC Valve, mounted on the left side of the intake manifold.

IDLE SWITCH
Integrated into the throttle sensor. Mounted on the throttle chamber.

IGNITION SWITCH
Mounted on the steering column.

INHIBITOR SWITCH (A/T ONLY)
Mounted on the transmission at the selector shaft.

INJECTOR
In the intake manifold near the cylinder head.

INTAKE AIR THERMOSENSOR
Integrated into the air flow meter.

KNOCK SENSOR
Screwed into the engine block on the firewall side.

MAIN RELAY
Mounted to the inner fenderwell at the L.F. corner of the engine compartment.

MALFUNCTION INDICATOR LIGHT (MIL)
Located in the instrument cluster.

NEUTRAL SWITCH M/T ONLY)
Screwed into the top of the transaxle case.

OXYGEN SENSOR
Screwed into the exhaust manifold.

POWER STEERING LOAD SWITCH
Screwed into the high-pressure line at the P/S pump.

PURGE CONTROL SOLENOIDS (2)
Mounted on the top/middle of the firewall.

STOP LIGHT SWITCH
Mounted to the control pedal bracket in the drivers compartment.

TEST CONNECTOR
GREEN 1-Pin connector (for self-diagnosis checker, idle speed and timing adjustment) L.R. corner of the engine compartment.

THROTTLE SENSOR
Integrated with the idle switch. Mounted on the throttle chamber.

WATER THERMOSENSOR
Screwed into the top side of the intake manifold in the middle.

WATER THERMOSWITCH
Screwed into the bottom radiator tank.