Curiosii for ever!
: Car repair manuals for everyone.
Home
>>
Mazda
>>
1989
>>
323 L4-1597cc 1.6L DOHC
>>
Repair and Diagnosis
>>
Power and Ground Distribution
>>
Fuse Block
>>
Locations
>>
Component Locations
>>
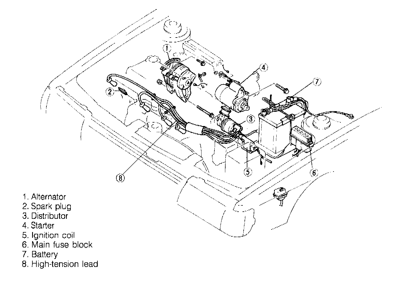
Main Fuse Block
Main Fuse Block