Curiosii for ever!: Car repair manuals for everyone.

Distributor: Service and Repair

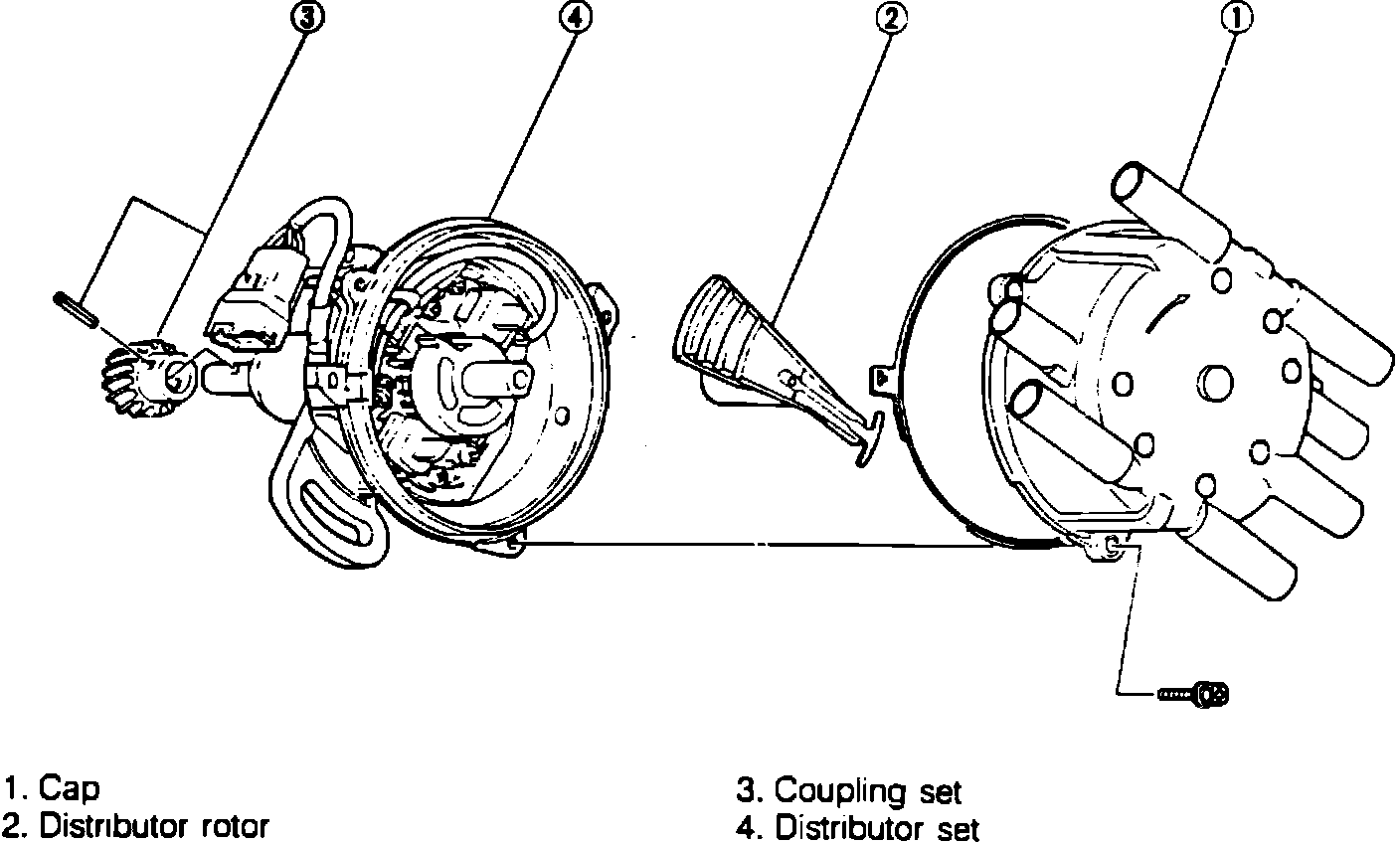
Fig. 9 Disassembled view of breakerless type distributor.:






REMOVAL

1. Turn crankshaft to align No. 1 cylinder at TDC.
2. Disconnect distributor connector and high tension leads.
3. Remove lock bolt, then distributor.

INSTALLATION

1. Ensure crankshaft pulley No. 1 cylinder TDC is aligned (yellow mark).
2. Apply engine oil to O-ring and driven gear.
3. Align matching marks on distributor housing and driven gear.
4. Install distributor and connect high tension leads and distributor connector.
5. Torque lock bolt to 14 - 18 ft lb.
6. Adjust ignition timing.