Curiosii for ever!
: Car repair manuals for everyone.
Home
>>
Mazda
>>
1988
>>
929 V6-3.0L SOHC
>>
Repair and Diagnosis
>>
Powertrain Management
>>
Emission Control Systems
>>
Locations
Emission Control Systems: Locations
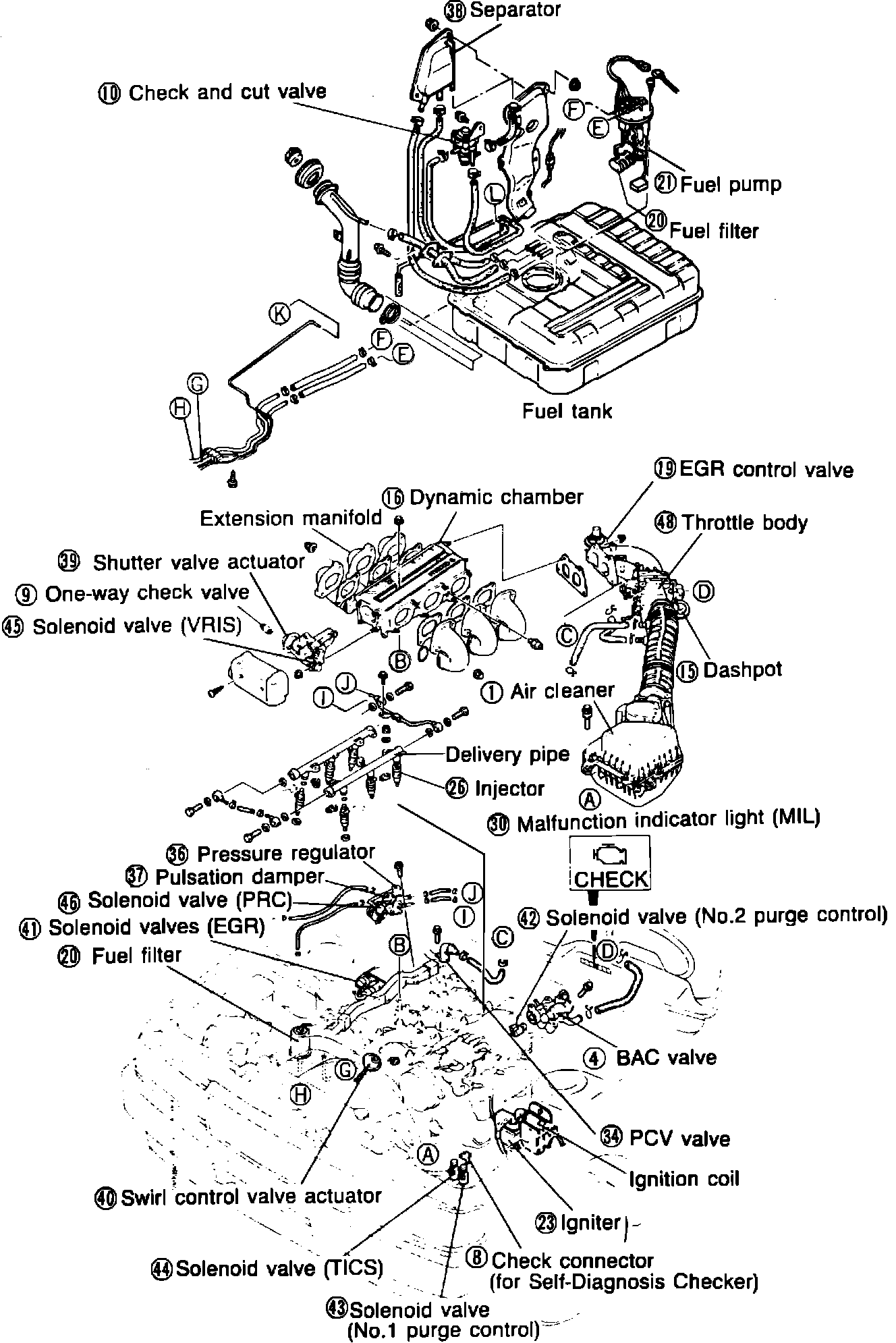
Fig. 17a Engine Compartment Reference Diagram (Part 1 of 2).:
Fig. 17b Engine Compartment Reference Diagram (Part 2 of 2).: