Curiosii for ever!: Car repair manuals for everyone.

Oxygen Sensor Relay: Testing and Inspection

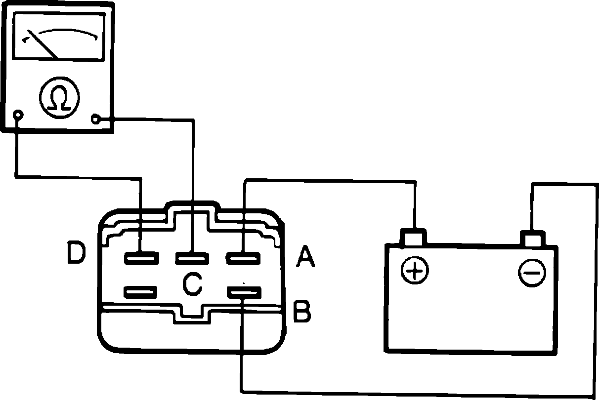
Fig. 73 Testing oxygen sensor relay.:







1. Check for clicking noise at oxygen sensor relay when turning ignition switch on and off.
2. Apply 12 volts and a ground to relay terminals A and B, Fig. 73.
3. Using ohmmeter check for continuity. There should be no continuity between terminals C and D when voltage is not applied and there should be continuity when 12 volts is applied