Curiosii for ever!
: Car repair manuals for everyone.
Home
>>
Mazda
>>
1988
>>
929 V6-3.0L SOHC
>>
Repair and Diagnosis
>>
Powertrain Management
>>
Computers and Control Systems
>>
Air Flow Meter/Sensor
>>
Locations
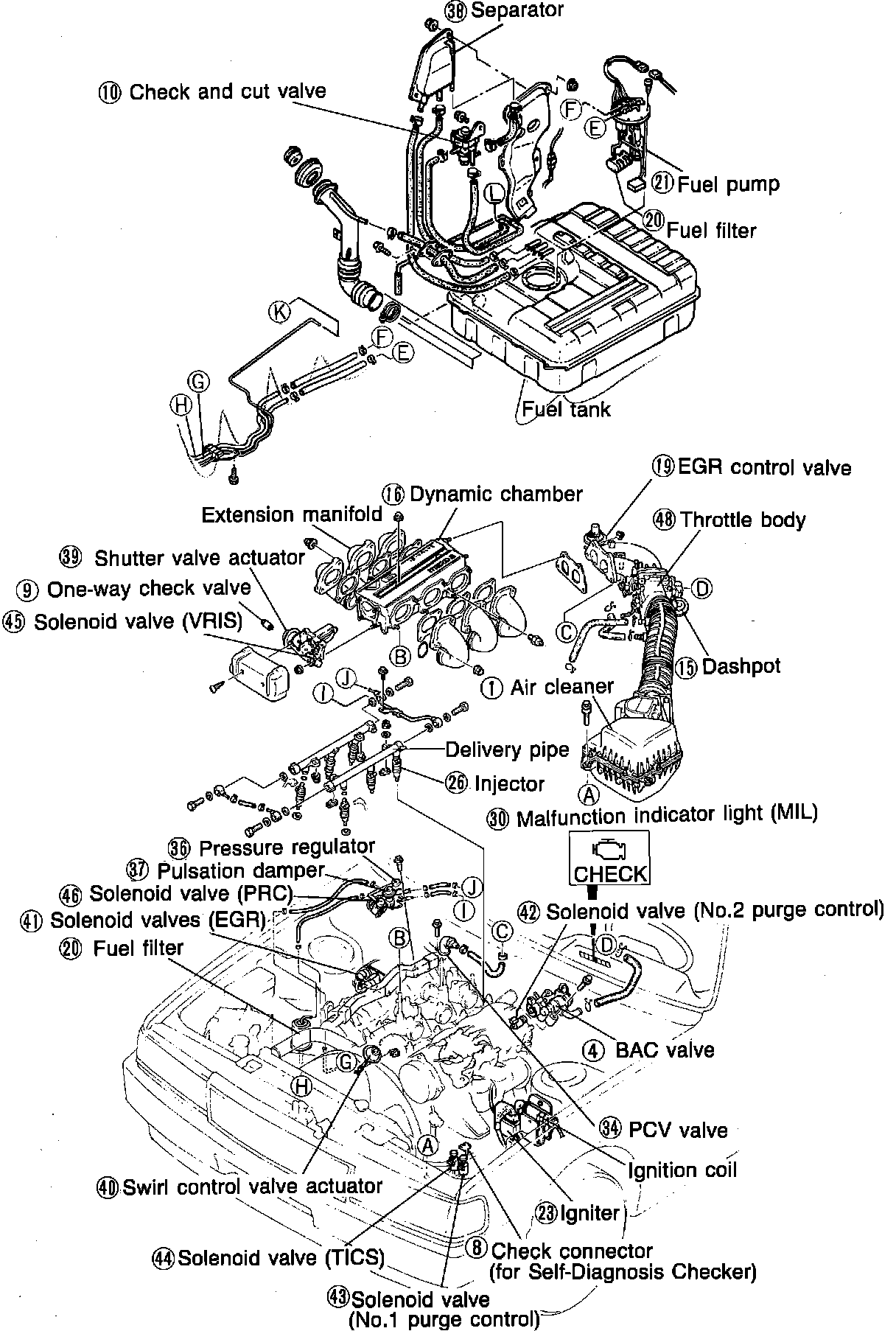
Air Flow Meter/Sensor: Locations
Fig. 29 EGI System: