Curiosii for ever!
: Car repair manuals for everyone.
Home
>>
Mazda
>>
1988
>>
929 V6-3.0L SOHC
>>
Repair and Diagnosis
>>
Diagrams
>>
Electrical Diagrams
>>
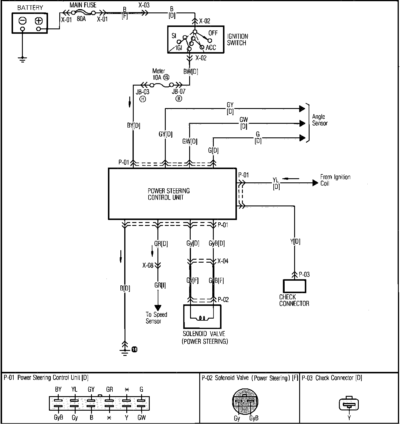
Steering Control Module
Steering Control Module
Power Steering: