Curiosii for ever!
: Car repair manuals for everyone.
Home
>>
Mazda
>>
1987
>>
RX7 2RTR- 1308cc 1.3L Turbo FI
>>
Repair and Diagnosis
>>
Relays and Modules
>>
Relays and Modules - Powertrain Management
>>
Relays and Modules - Computers and Control Systems
>>
Main Relay (Computer/Fuel System)
>>
Locations
Main Relay (Computer/Fuel System): Locations
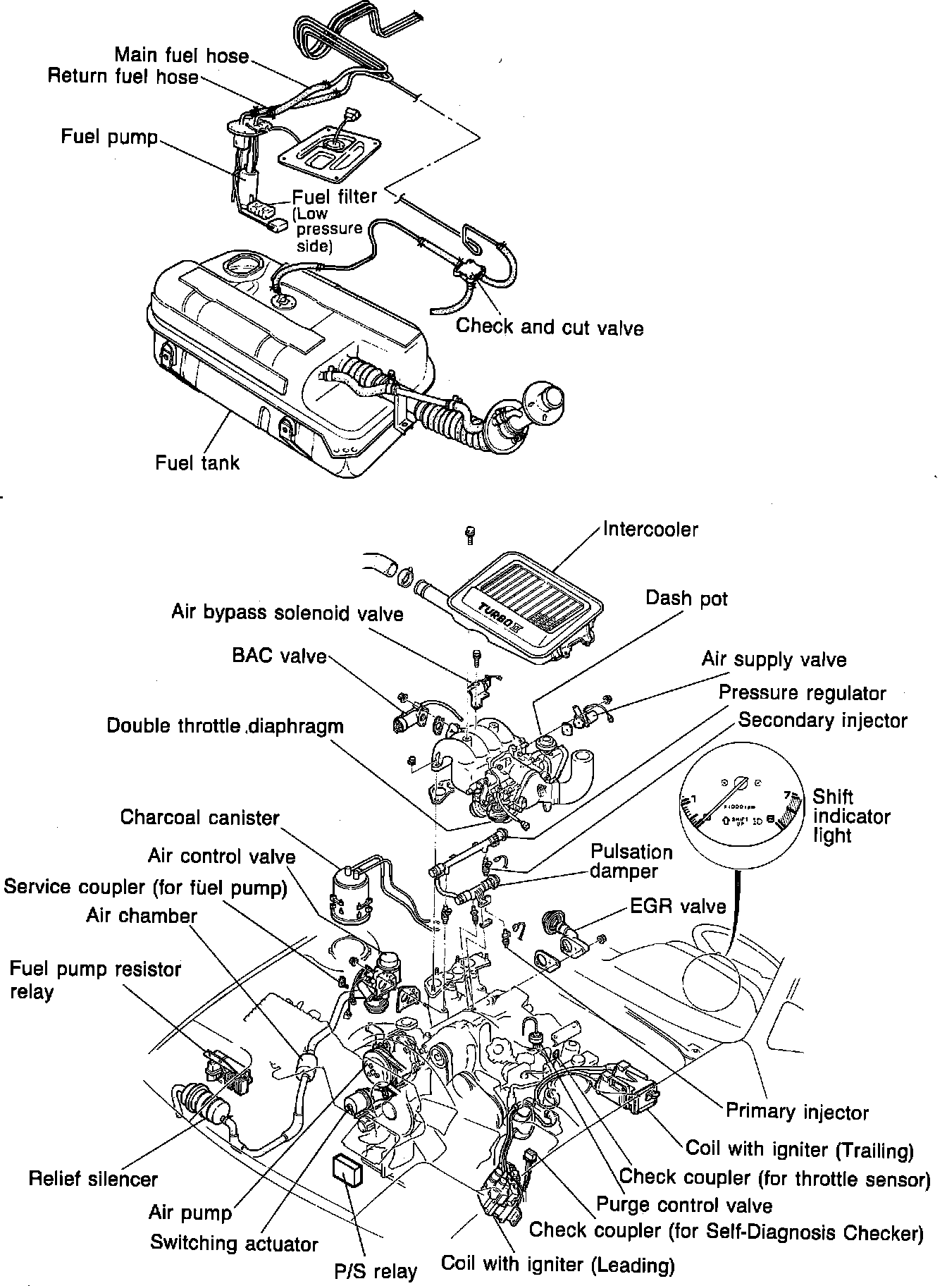
Fig. 21 EGI System, Turbo:
Fig. 21 EGI System, Turbo: