Curiosii for ever!
: Car repair manuals for everyone.
Home
>>
Mazda
>>
1987
>>
RX7 2RTR- 1308cc 1.3L FI
>>
Repair and Diagnosis
>>
Relays and Modules
>>
Relays and Modules - Lighting and Horns
>>
Lamp Control Module
>>
Locations
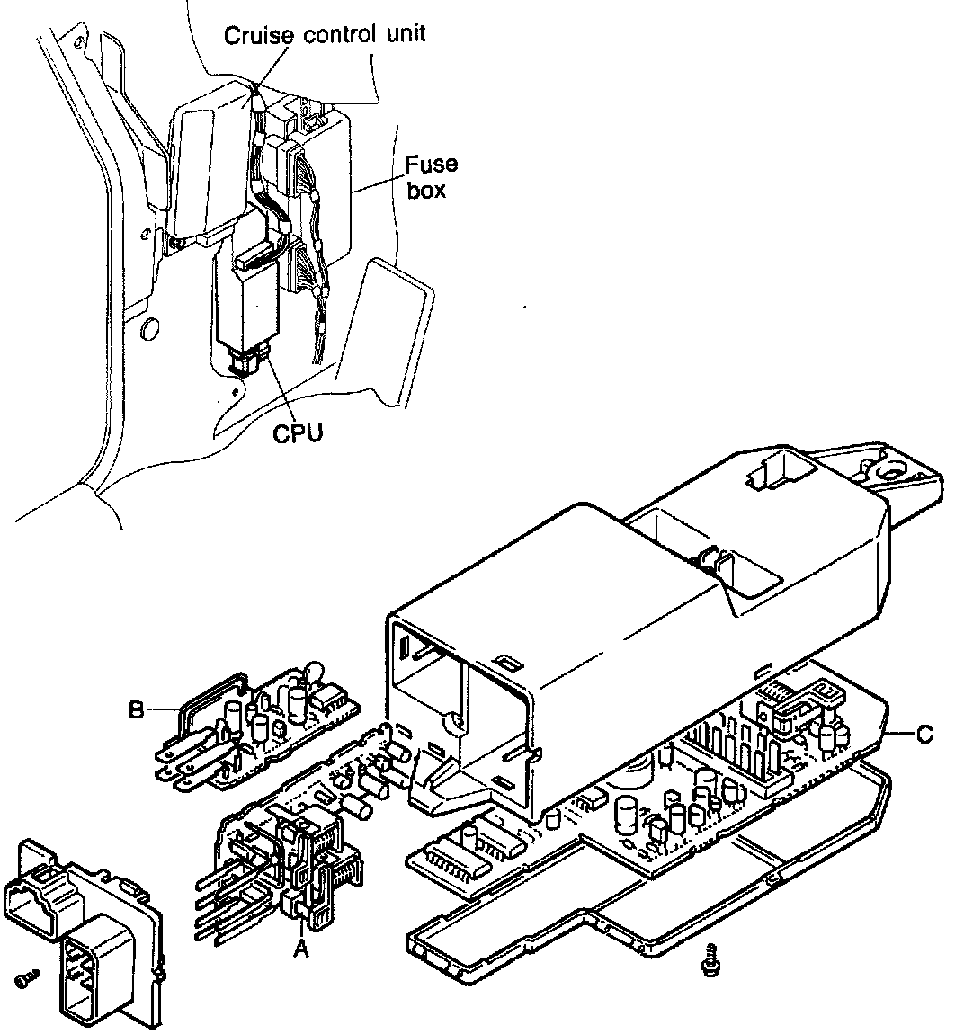
Lamp Control Module: Locations
Central Processing Unit (CPU) Structural View