Curiosii for ever!
: Car repair manuals for everyone.
Home
>>
Mazda
>>
1987
>>
626 L4-1998 cc 2.0L SOHC FE
>>
Repair and Diagnosis
>>
Powertrain Management
>>
Ignition System
>>
Locations
Ignition System: Locations
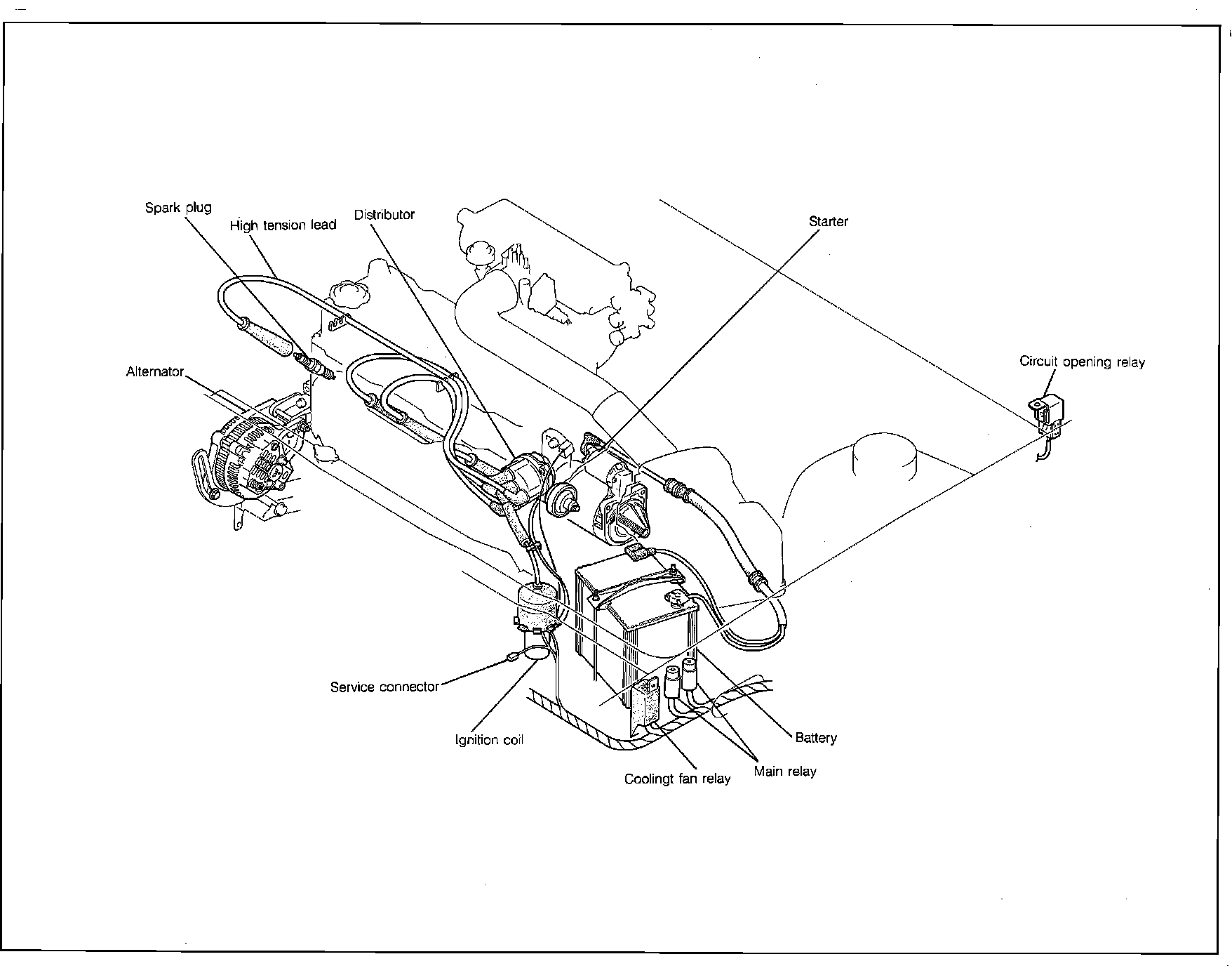
Fig. 2 Ignition system component locations: