Curiosii for ever!: Car repair manuals for everyone.

EFE Relay: Testing and Inspection

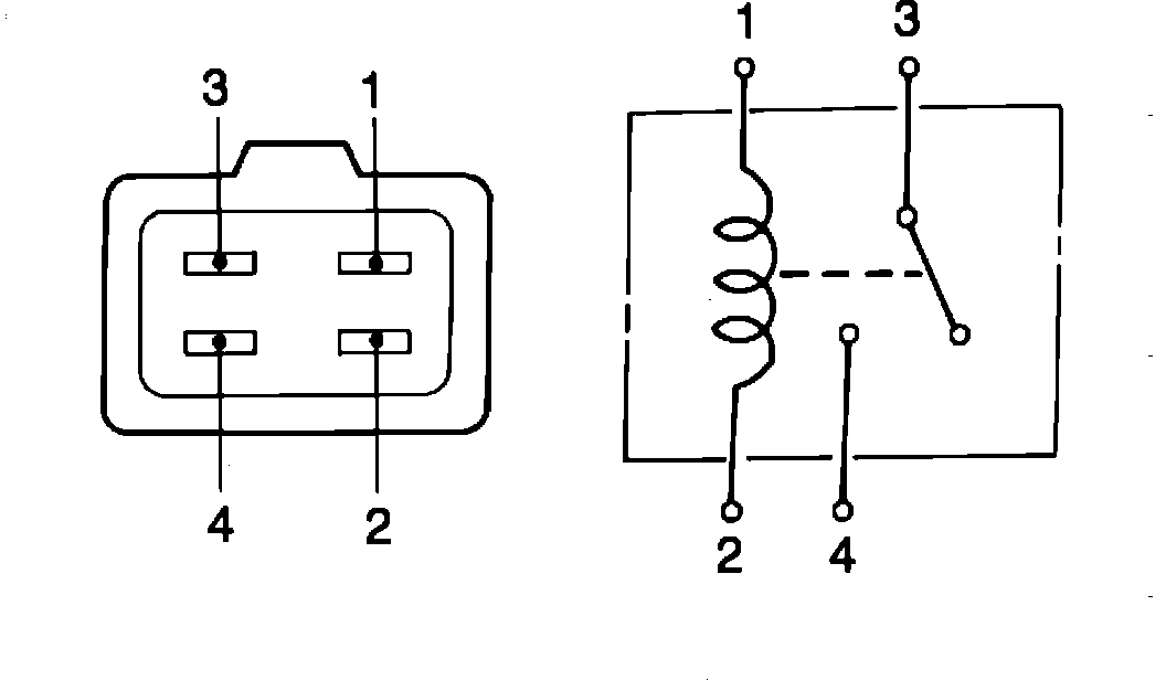
Fig. 11 PTC Heater Relay.:




Fig. 10 PTC Heater Relay Terminals.:





1. Apply battery power (12V), positive to terminal 1 and negative to terminal 2 Fig. 10.


Fig. 12 PTC Continuity Chart.:





1. Confirm that there is continuity at terminals 3 and 4 by using an ohmmeter Fig. 12.