Curiosii for ever!
: Car repair manuals for everyone.
Home
>>
Mazda
>>
1986
>>
323 L4-1600 1597cc
>>
Repair and Diagnosis
>>
Relays and Modules
>>
Relays and Modules - Powertrain Management
>>
Relays and Modules - Computers and Control Systems
>>
Engine Control Module
>>
Locations
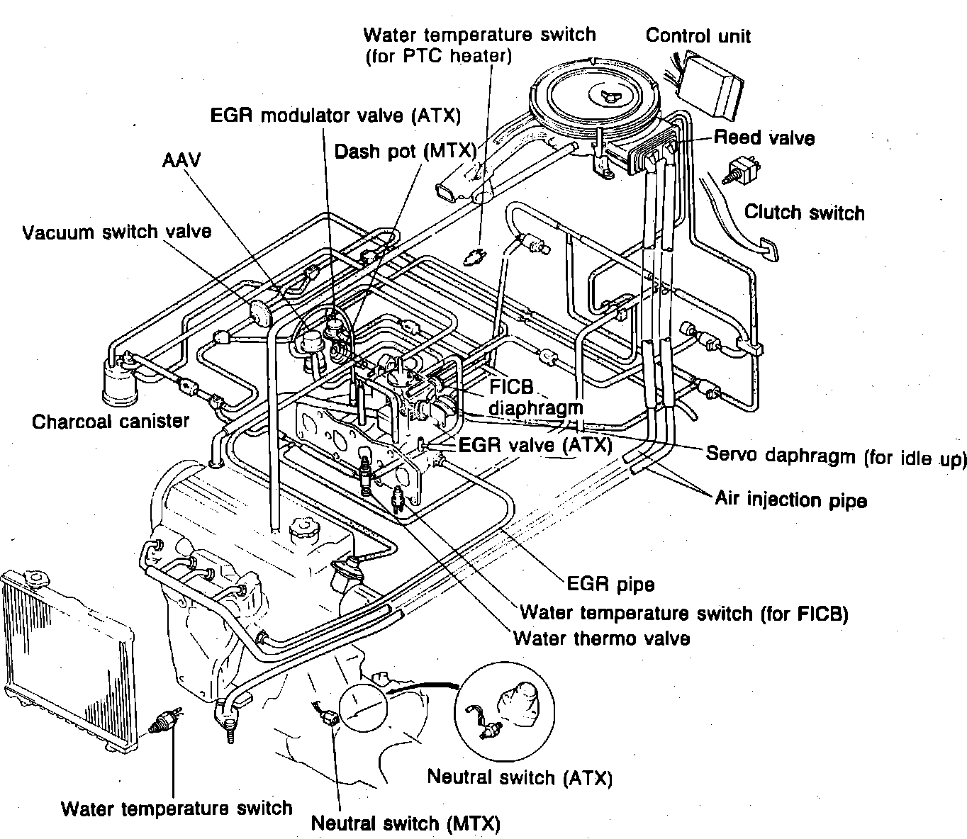
Engine Control Module: Locations
Emission System Components.:
RH Side Of Engine Compartment
Applicable to: 1986 Carbureted Models