Pressure Regulator Control Solenoid Valve
Fig. 21 Checking pressure regulator control solenoid valve .:
1. Disconnect vacuum hose from solenoid valve and vacuum pipe.
2. Blow into side port B of valve and ensure air flows from bottom port A Fig 21.
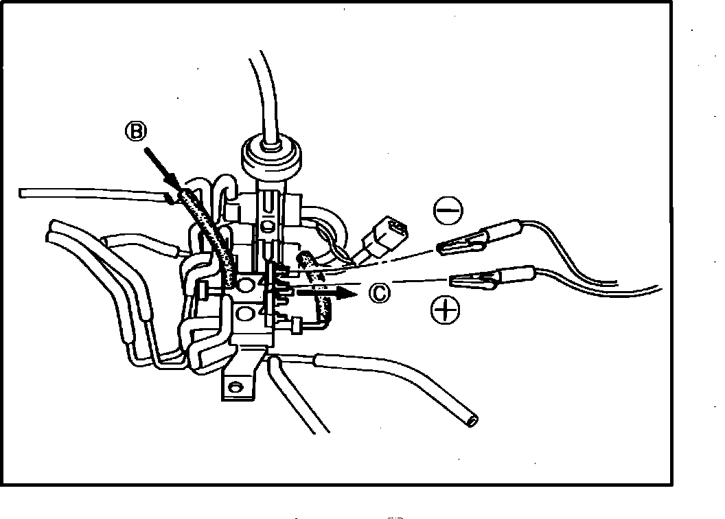
Fig. 22 Connecting battery power to pressure regulator control solenoid valve.:
3. Disconnect electrical connector at valve.
4. Connect 12 volts and ground to valve terminals.
5. Blow into side B port of valve and ensure air flows from valve's air filter C Fig 22.