Curiosii for ever!: Car repair manuals for everyone.

Control Arm: Service and Repair

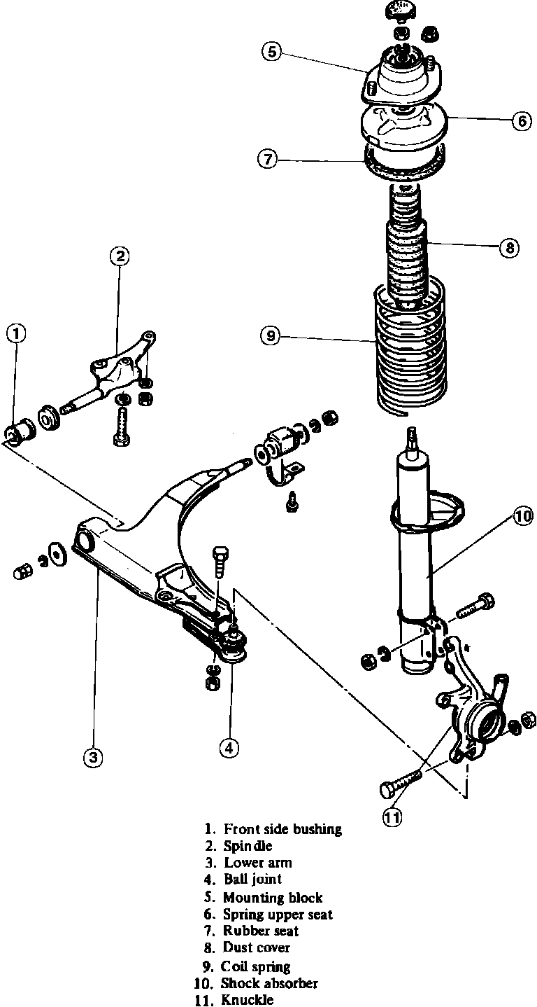
Fig. 1 Front suspension exploded view:





1. Raise and support vehicle.
2. Remove steering knuckle to ball joint retaining bolt. Separate knuckle from ball joint.
3. Remove suspension arm to body attaching nuts and bolts, Fig. 1, then the suspension arm.
4. Reverse procedure to install. Torque ball joint to steering knuckle bolt to 36 ft.lbs., spindle to body bolts to 78 ft.lbs. and rear side bracket to body bolts to 49 ft.lbs.