Curiosii for ever!
: Car repair manuals for everyone.
Home
>>
Mazda Truck
>>
2012
>>
CX-9 AWD V6-3.7L
>>
Repair and Diagnosis
>>
Powertrain Management
>>
Description and Operation
Powertrain Management: Description and Operation
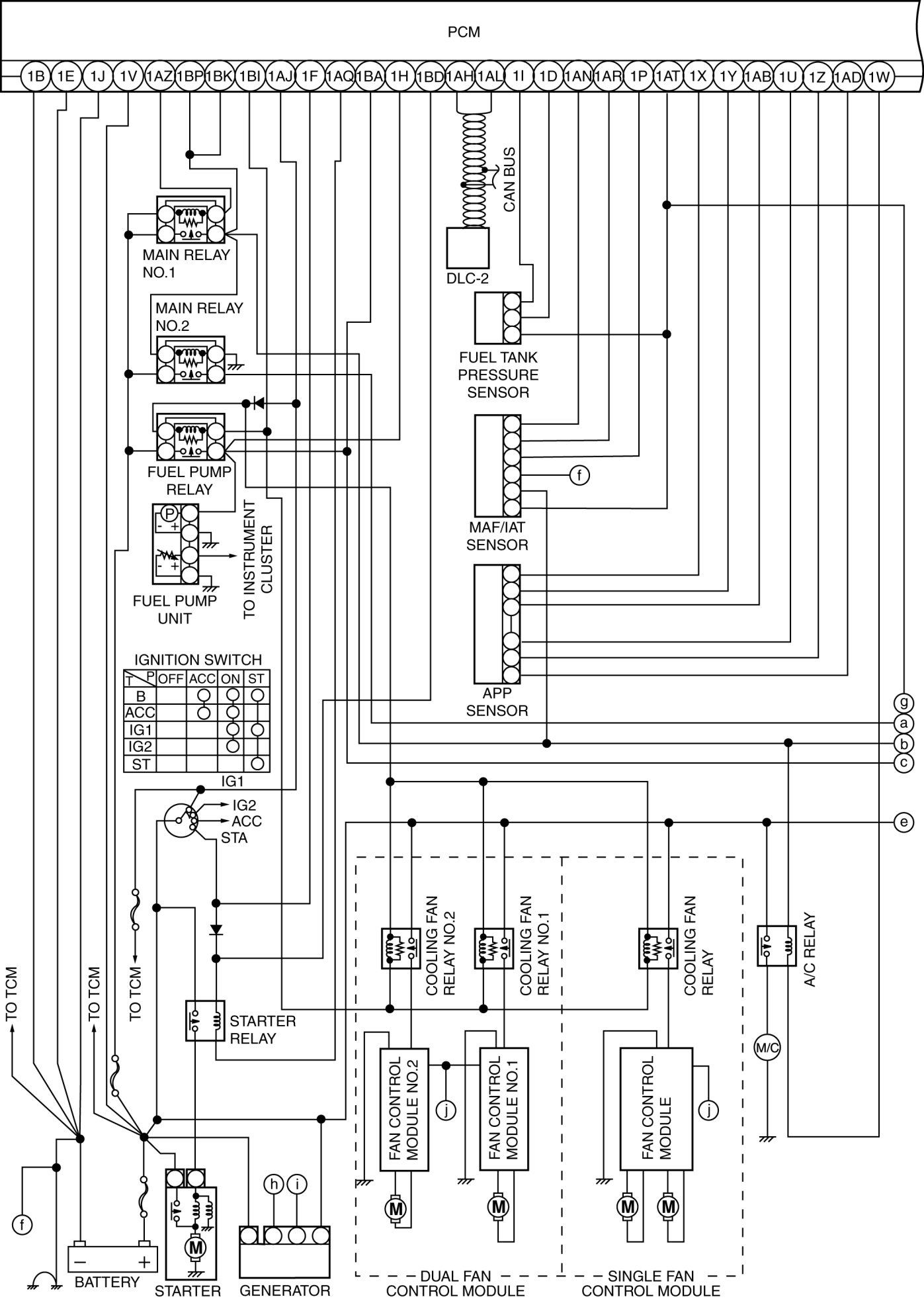
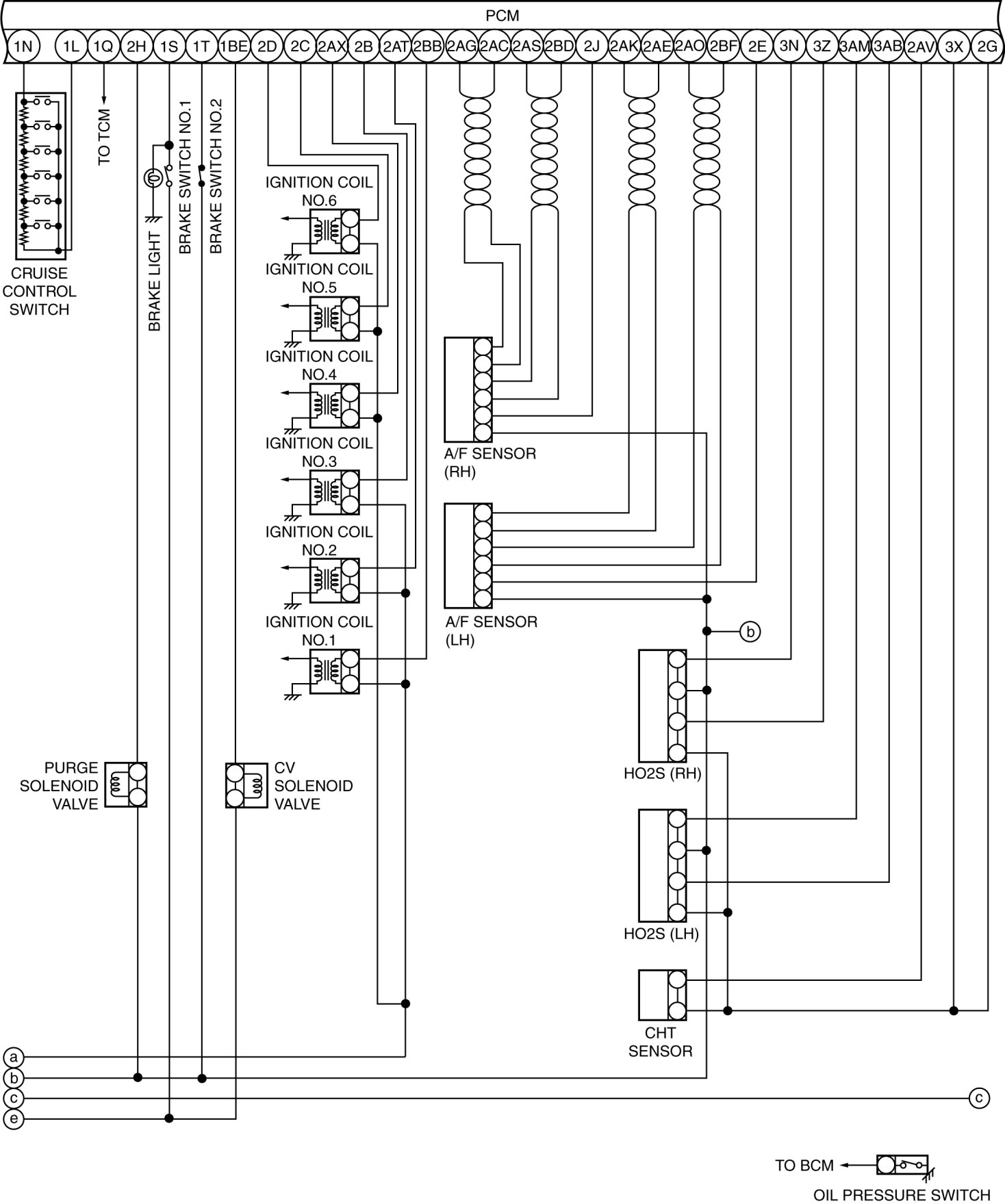
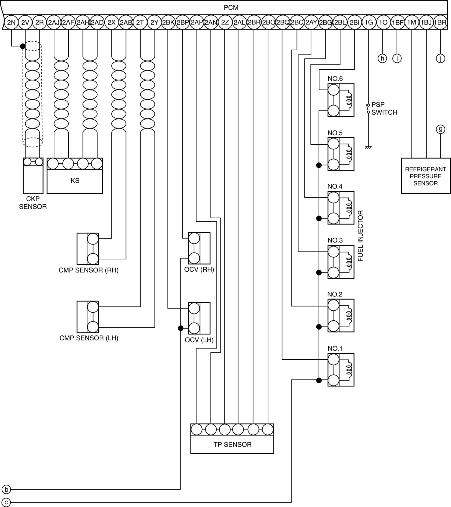
CONTROL SYSTEM WIRING DIAGRAM [MZI-3.7]