Curiosii for ever!: Car repair manuals for everyone.

Relay Box: Testing and Inspection





RELAY INSPECTION [L5]

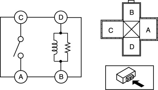
Relay type





Type A

1. Verify the continuity between the relay terminals.






- If not as indicated in the table, replace the relay.






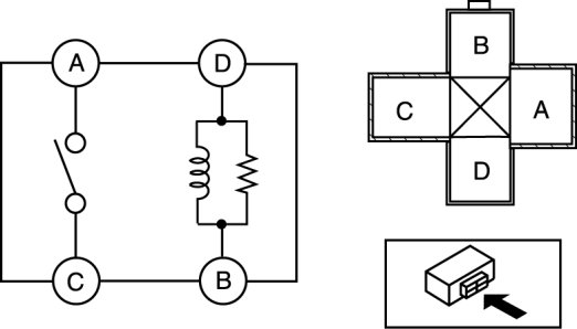
Type B

1. Verify the continuity between the relay terminals.






- If not as indicated in the table, replace the relay.






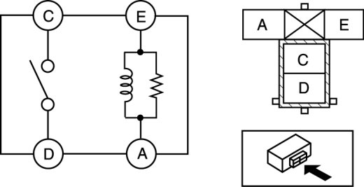
Type C

1. Verify the continuity between the relay terminals.






- If not as indicated in the table, replace the relay.