Curiosii for ever!
: Car repair manuals for everyone.
Home
>>
Mazda Truck
>>
2012
>>
CX-7 FWD L4-2.5L
>>
Repair and Diagnosis
>>
Powertrain Management
>>
Computers and Control Systems
>>
Testing and Inspection
>>
Scan Tool Testing and Procedures
>>
On-Board Diagnostic Wiring Diagram
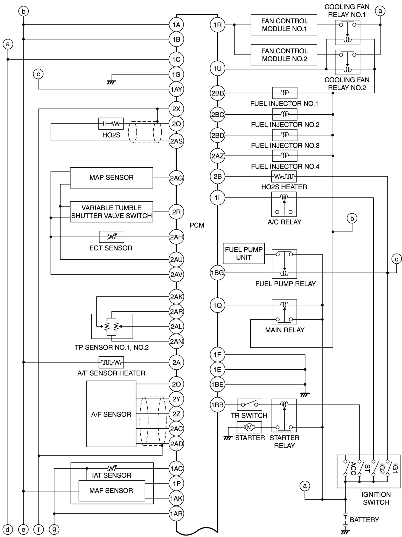
On-Board Diagnostic Wiring Diagram
ON-BOARD DIAGNOSTIC WIRING DIAGRAM [L5]