Curiosii for ever!
: Car repair manuals for everyone.
Home
>>
Mazda Truck
>>
2012
>>
CX-7 FWD L4-2.5L
>>
Repair and Diagnosis
>>
Body and Frame
>>
Locks
>>
Keyless Entry
>>
Testing and Inspection
>>
Symptom Related Diagnostic Procedures
>>
Advanced Keyless Entry And Start System
>>
System Wiring Diagram
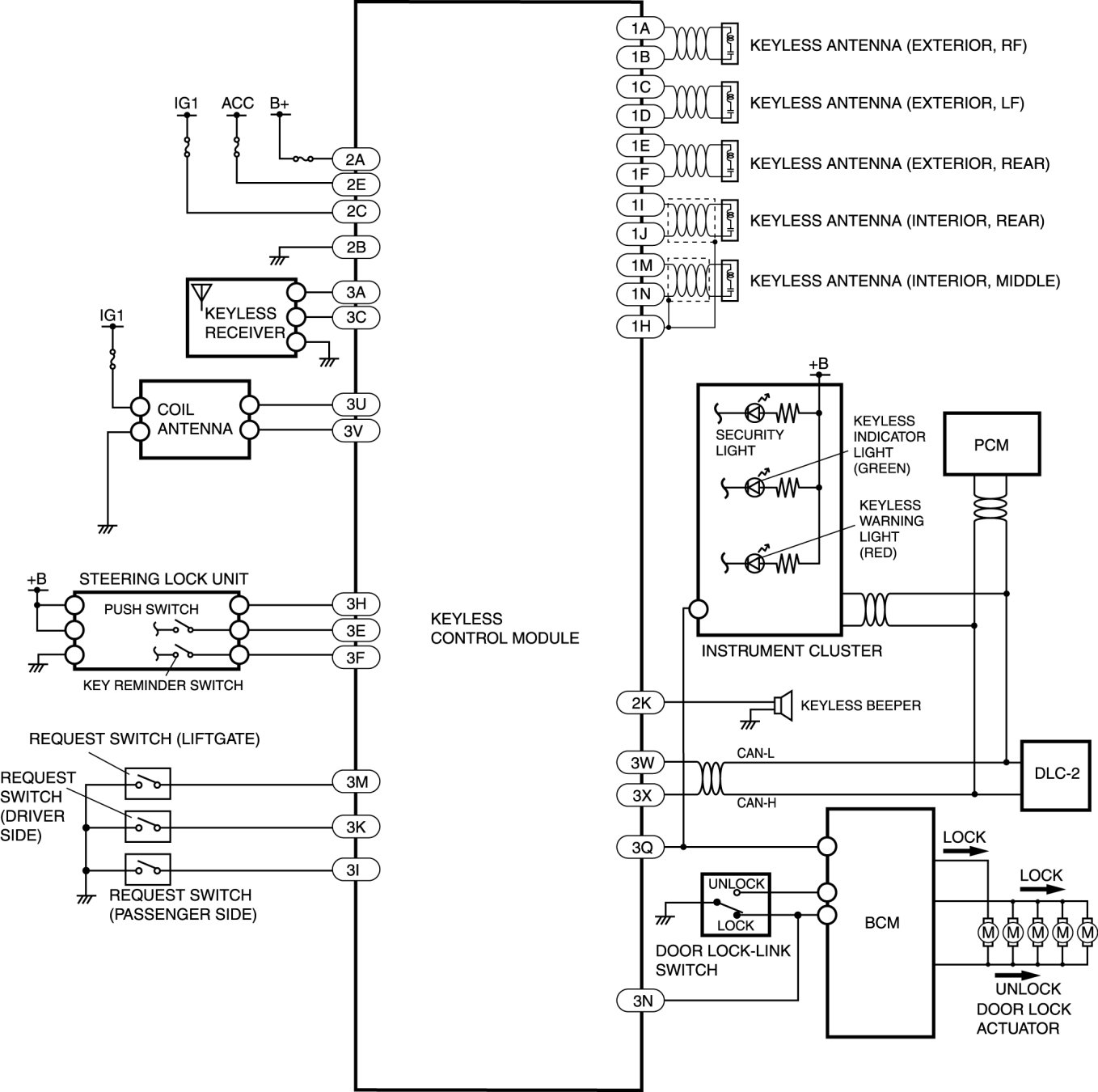
System Wiring Diagram
KEYLESS ENTRY SYSTEM WIRING DIAGRAM [ADVANCED
KEYLESS ENTRY
AND START SYSTEM]