Curiosii for ever!: Car repair manuals for everyone.

Radiator Support: Service and Repair





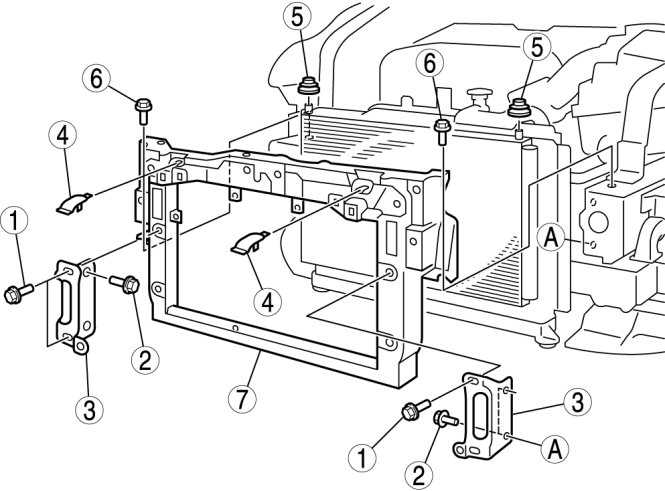
SHROUD PANEL REMOVAL/INSTALLATION

1. Disconnect the negative battery cable.

2. Remove the following parts:
a. Front bumper (See Removal and Replacement)

b. Front combination lights (See Front Combination Light Removal/Installation)

c. Front bumper reinforcement (See Service and Repair)

d. Hood latch (See Service and Repair)

e. Hood stay (See Service and Repair)

3. Put the oil cooler aside.

4. Remove in the order indicated in the table.










5. Install in the reverse order of removal.

Upper Mount Rubber Bracket

1. Remove the upper mount rubber bracket while pressing down the upper mount rubber bracket tab in the direction of the arrow.