Curiosii for ever!
: Car repair manuals for everyone.
Home
>>
Mazda Truck
>>
2011
>>
Tribute 4WD L4-2.5L Hybrid
>>
Repair and Diagnosis
>>
Diagrams
>>
Exploded Views
>>
Engine
>>
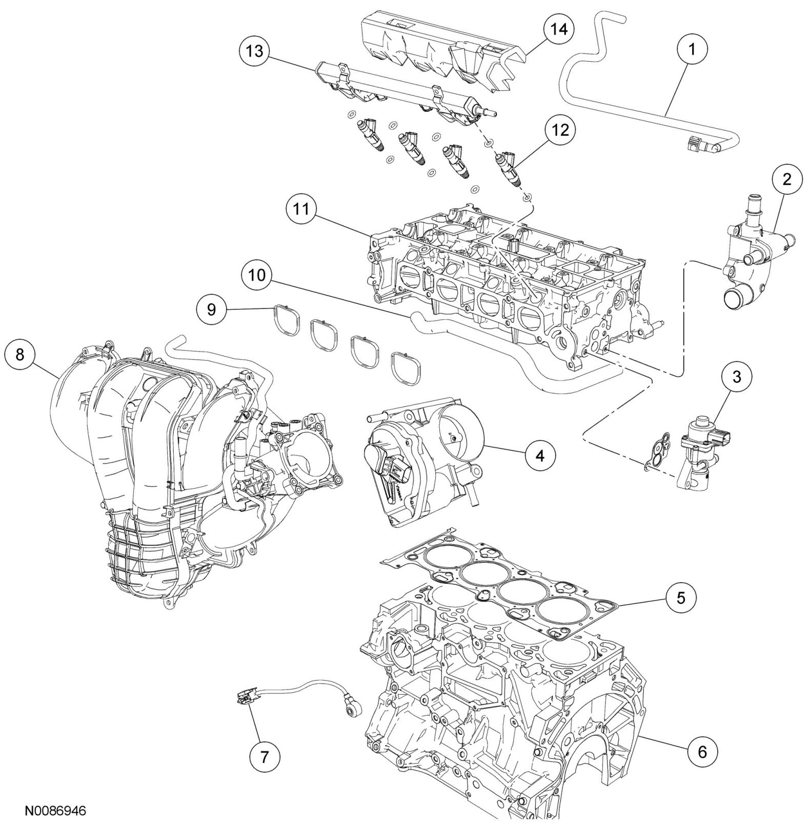
Intake Manifold
Intake Manifold
INTAKE MANIFOLD
- HYBRID EXPLODED VIEW
Intake Manifold
1.
For additional information, see the procedures.