Curiosii for ever!
: Car repair manuals for everyone.
Home
>>
Mazda Truck
>>
2011
>>
CX-9 FWD V6-3.7L
>>
Repair and Diagnosis
>>
Windows and Glass
>>
Windows
>>
Testing and Inspection
>>
Symptom Related Diagnostic Procedures
>>
Auto-Open/Close Function
>>
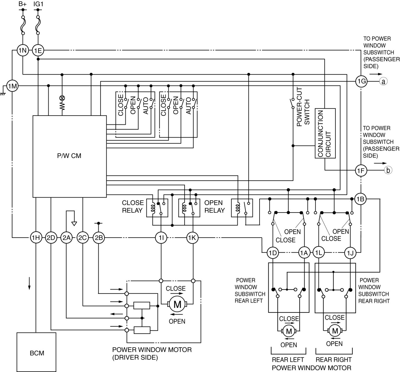
System Wiring Diagram
System Wiring Diagram
POWER WINDOW SYSTEM WIRING DIAGRAM [POWER WINDOW SYSTEMS (AUTO-OPEN/CLOSE FUNCTION)]
Power Window Main Switch
Power Window Subswitch (Passenger side)