Curiosii for ever!: Car repair manuals for everyone.

Relay Box: Testing and Inspection




RELAY INSPECTION

Relay type





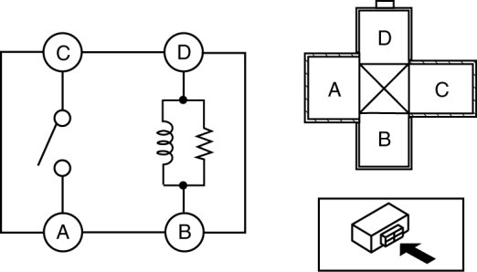
Type A

1. Verify the continuity between the relay terminals.






- If not as indicated in the table, replace the relay.





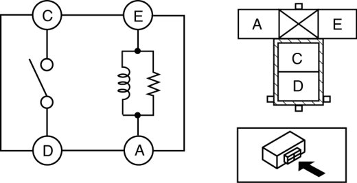
Type B

1. Verify the continuity between the relay terminals.






- If not as indicated in the table, replace the relay.





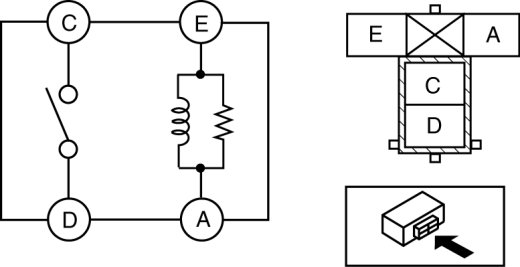
Type C

1. Verify the continuity between the relay terminals.






- If not as indicated in the table, replace the relay.