Curiosii for ever!
: Car repair manuals for everyone.
Home
>>
Mazda Truck
>>
2011
>>
CX-9 AWD V6-3.7L
>>
Repair and Diagnosis
>>
Powertrain Management
>>
Computers and Control Systems
>>
Testing and Inspection
>>
Scan Tool Testing and Procedures
>>
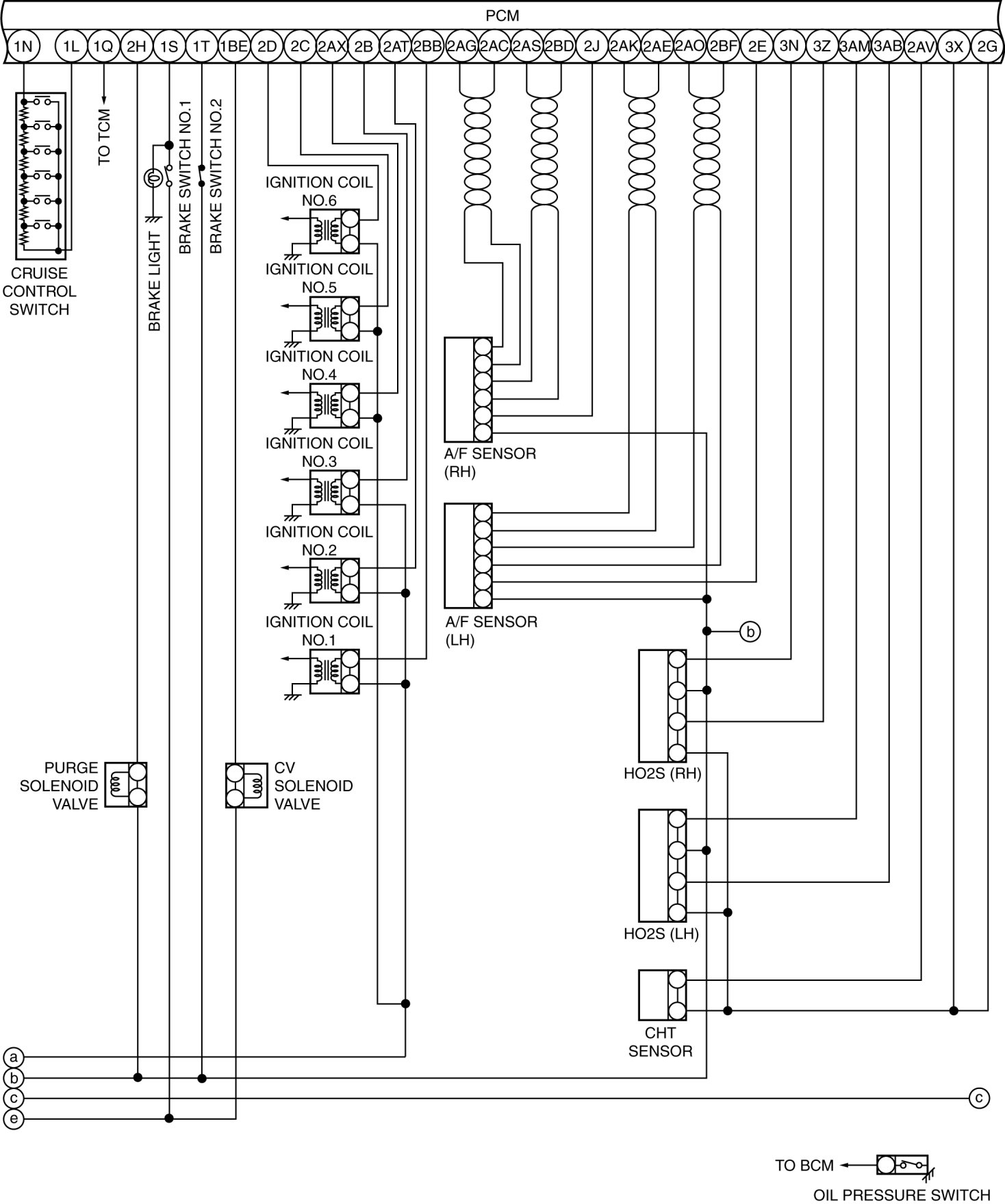
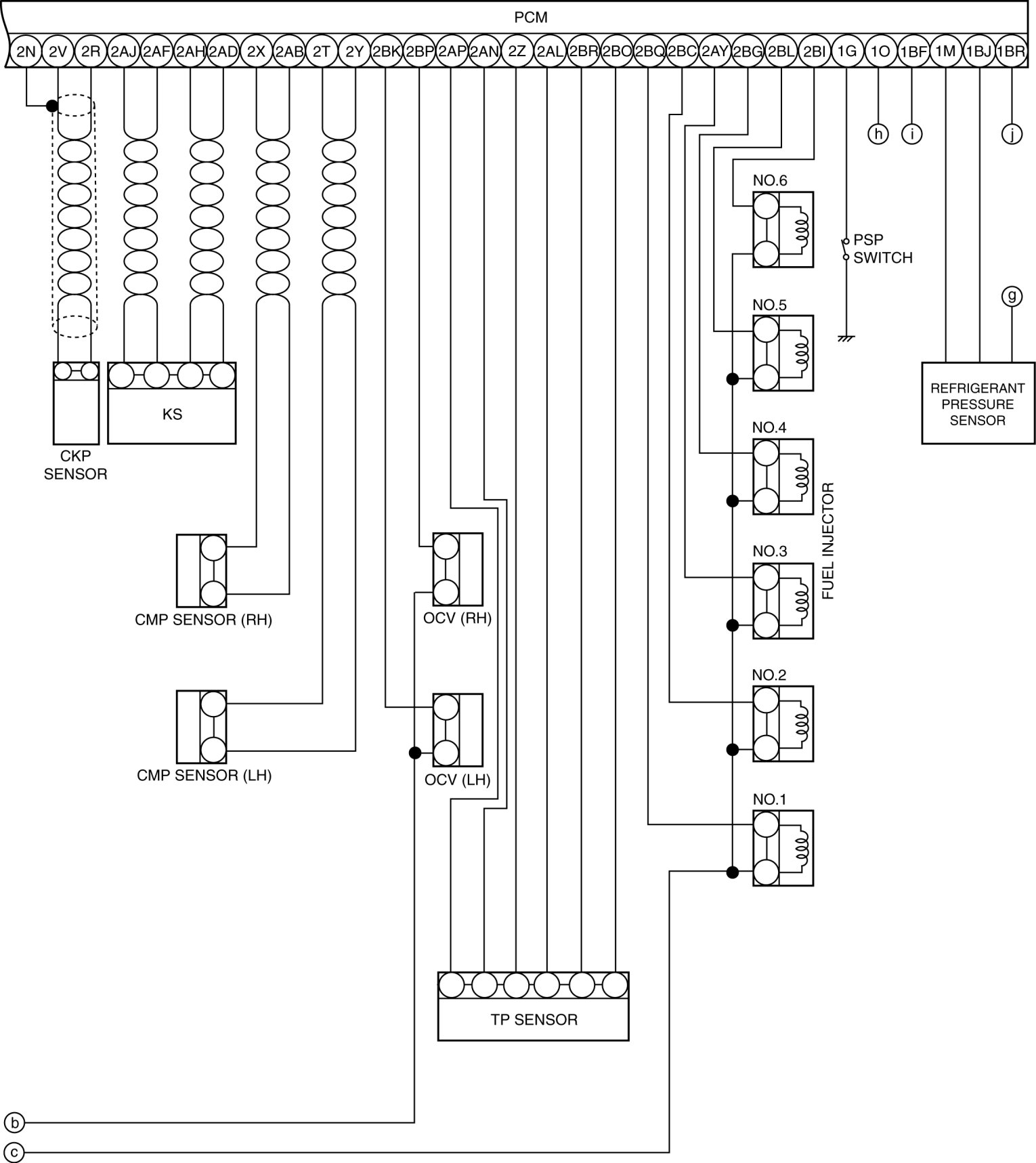
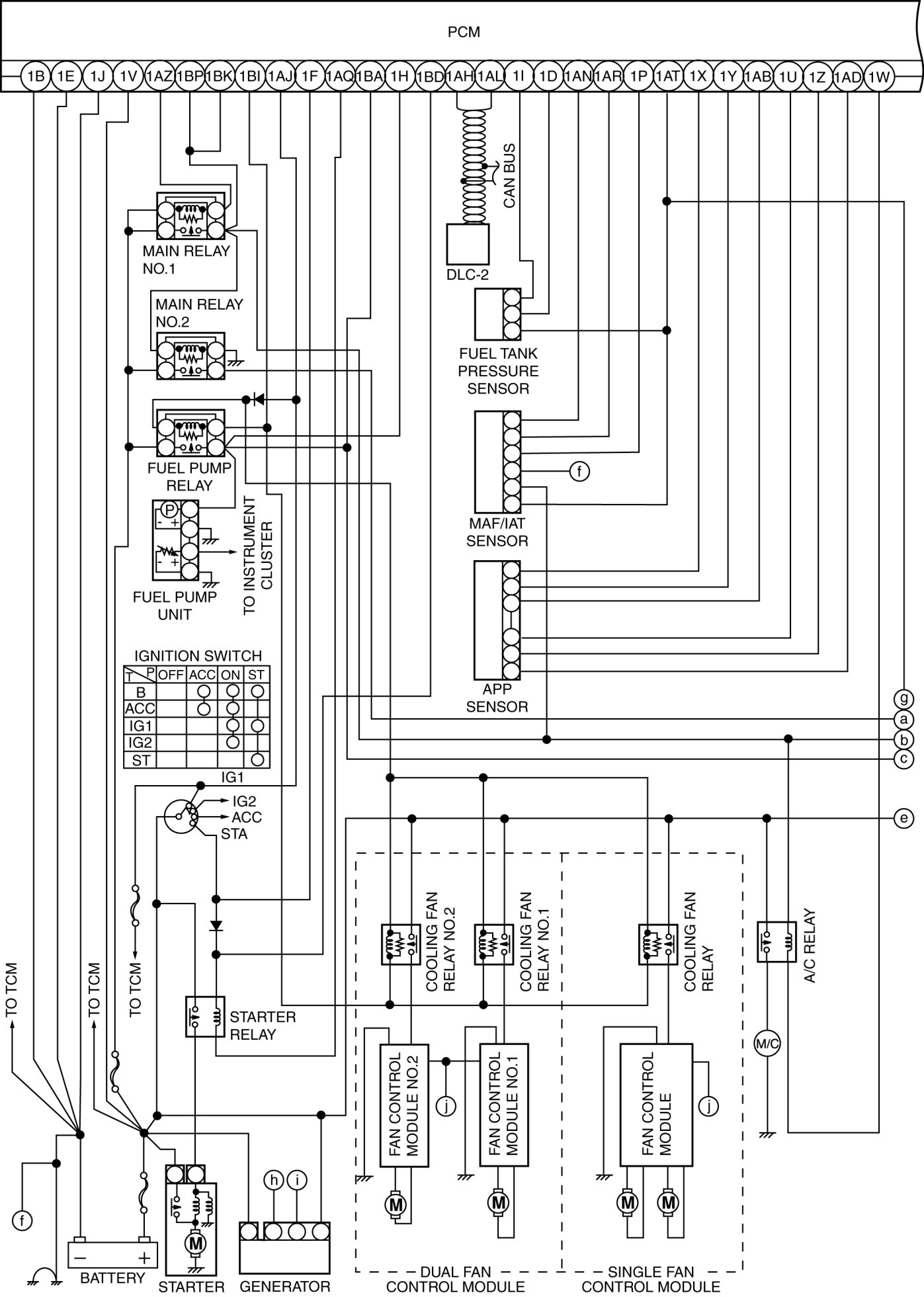
On-Board Diagnostic Wiring Diagram
On-Board Diagnostic Wiring Diagram
ON-BOARD DIAGNOSTIC WIRING DIAGRAM [MZI-3.7]