Curiosii for ever!
: Car repair manuals for everyone.
Home
>>
Mazda Truck
>>
2011
>>
CX-9 AWD V6-3.7L
>>
Repair and Diagnosis
>>
Body and Frame
>>
Mirrors
>>
Memory Positioning Systems
>>
Testing and Inspection
>>
Scan Tool Testing and Procedures
>>
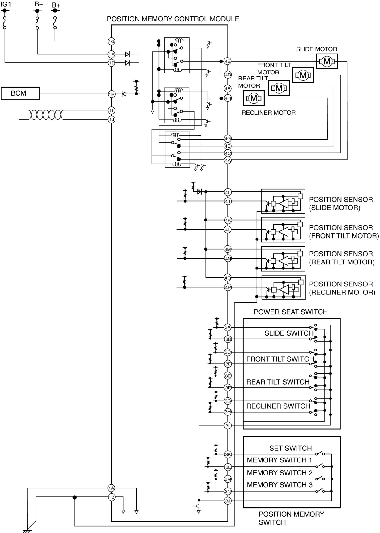
System Wiring Diagram - Position Memory Control System
System Wiring Diagram - Position Memory Control System
SYSTEM WIRING DIAGRAM [POSITION MEMORY CONTROL SYSTEM]