Curiosii for ever!
: Car repair manuals for everyone.
Home
>>
Mazda Truck
>>
2011
>>
CX-7 FWD L4-2.5L
>>
Repair and Diagnosis
>>
Powertrain Management
>>
Relays and Modules - Powertrain Management
>>
Relays and Modules - Computers and Control Systems
>>
Body Control Module
>>
Description and Operation
Body Control Module: Description and Operation
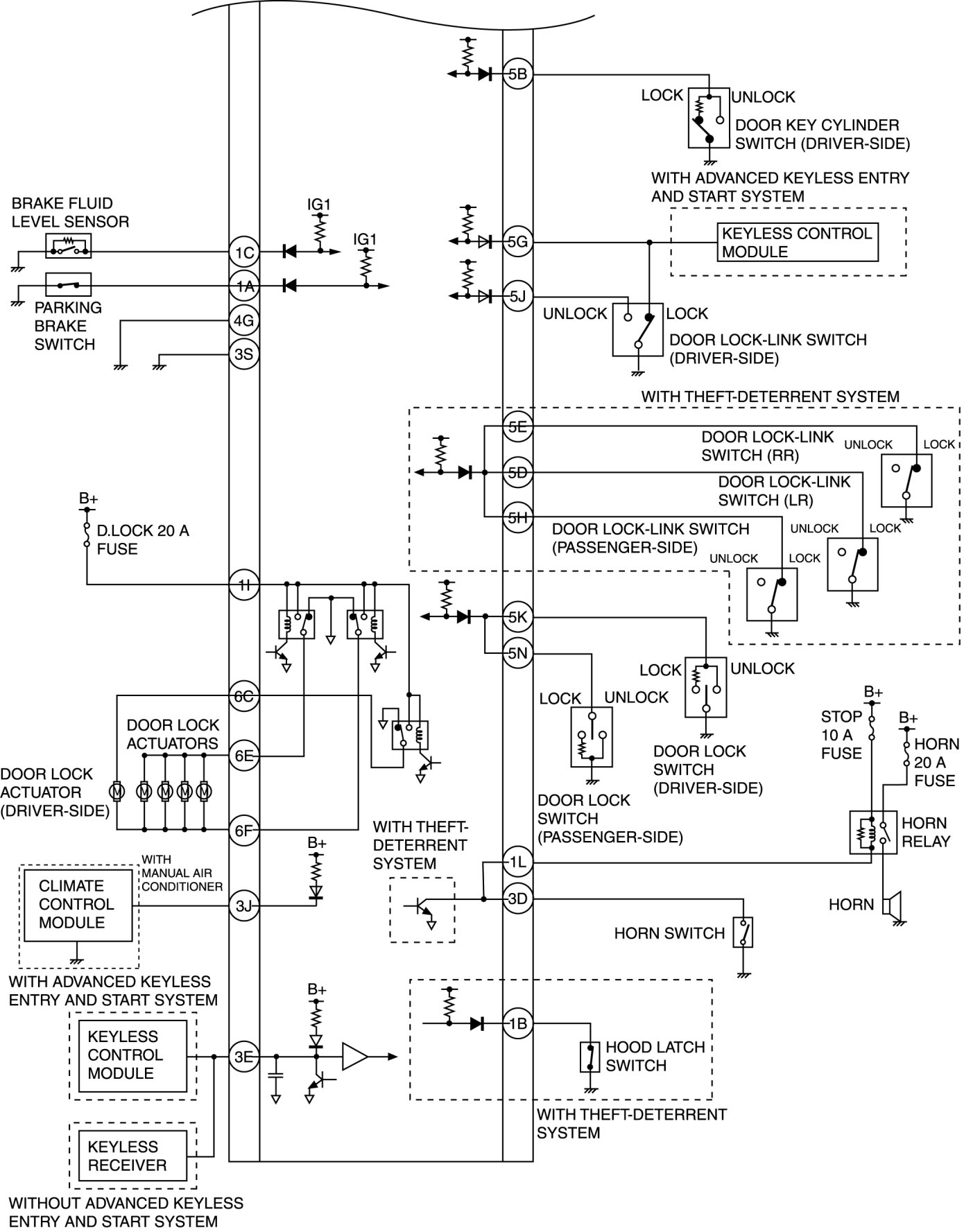
ON-BOARD DIAGNOSTIC WIRING DIAGRAM [
BCM
]