Curiosii for ever!: Car repair manuals for everyone.

Electrical Diagrams

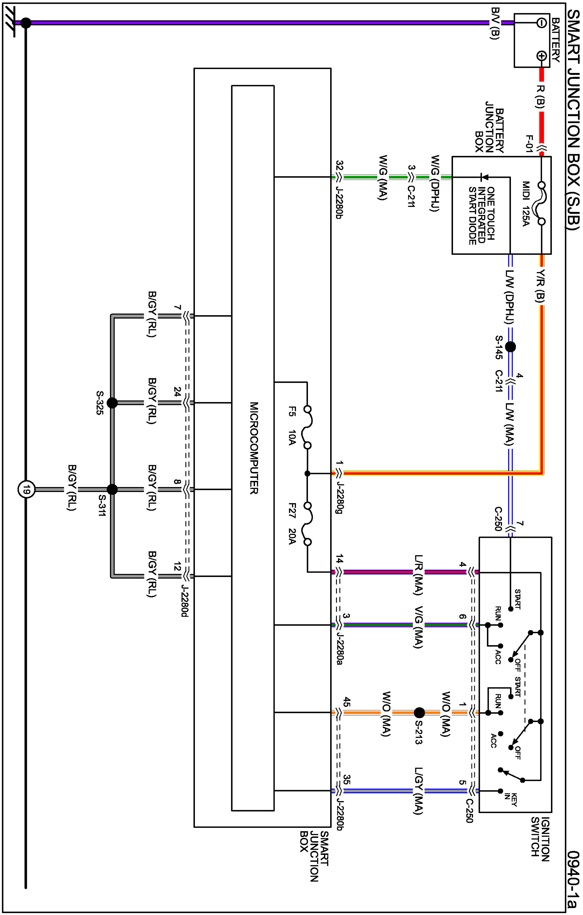
Diagram 0940-1a:




Connectors 0940-1a:




Routing View 0940-1a:






Diagram 0940-1b:




Connectors 0940-1b:




Routing View 0940-1b:






Diagram 0940-1c:




Connectors 0940-1c:




Routing View 0940-1c:






Diagrams: Other diagrams referred to by name within these diagrams can be found at Diagrams by Diagram Name. Diagrams By Diagram Name