Curiosii for ever!
: Car repair manuals for everyone.
Home
>>
Mazda Truck
>>
2010
>>
CX-9 FWD V6-3.7L
>>
Repair and Diagnosis
>>
Accessories and Optional Equipment
>>
Antitheft and Alarm Systems
>>
Keyless Entry
>>
Testing and Inspection
>>
Symptom Related Diagnostic Procedures
>>
Advanced Keyless Entry and Start System
>>
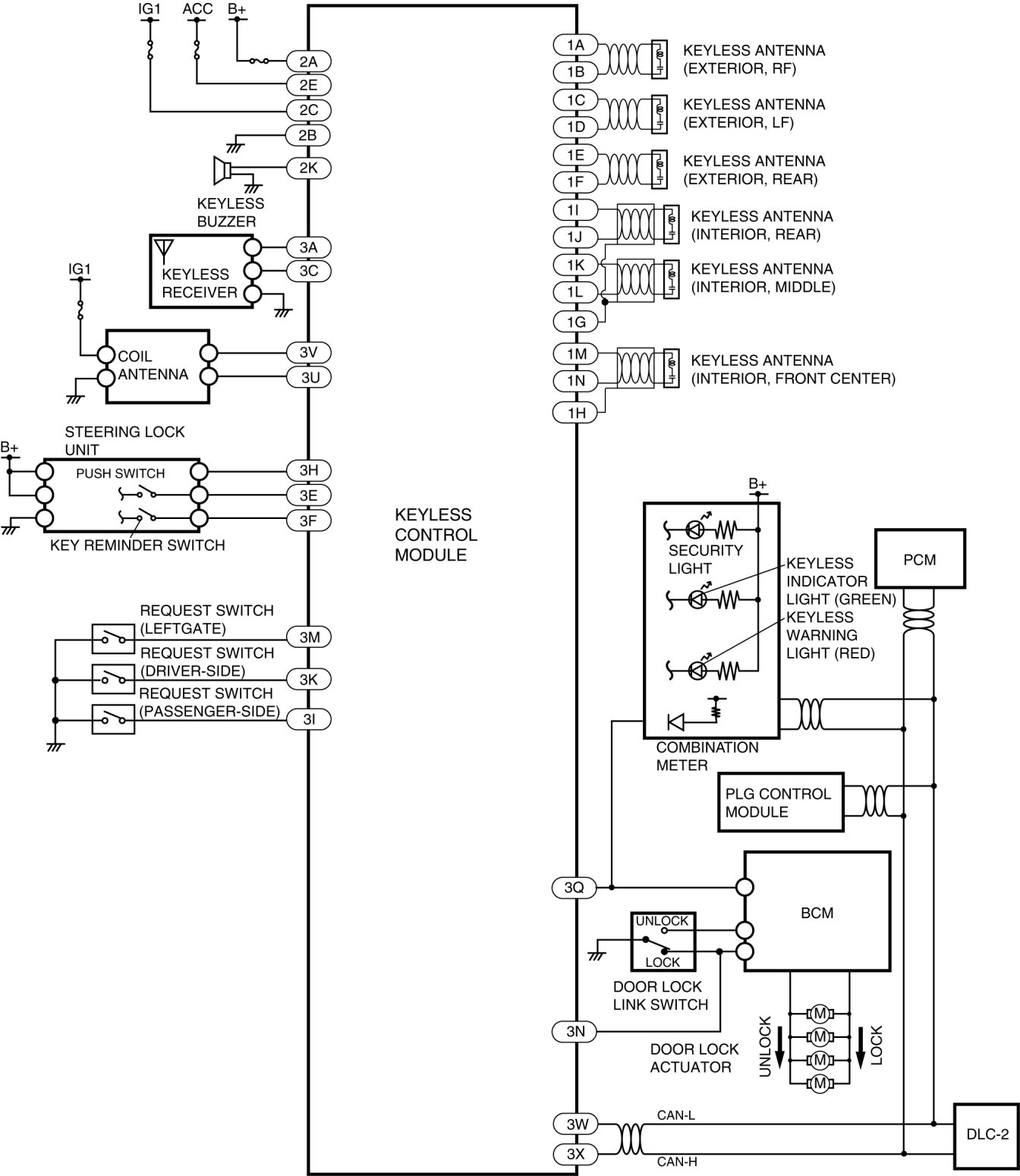
Keyless Entry System Wiring Diagram - Advanced Keyless Entry and Start System
Keyless Entry System Wiring Diagram - Advanced Keyless Entry and Start System
KEYLESS ENTRY SYSTEM WIRING DIAGRAM [ADVANCED
KEYLESS ENTRY
AND START SYSTEM]