Curiosii for ever!: Car repair manuals for everyone.

Determining Malfunctioning Part (HS-CAN) - Multiplex Communication System




DETERMINING MALFUNCTIONING PART (HS-CAN) [MULTIPLEX COMMUNICATION SYSTEM (L5)]

CAUTION:
- If the malfunctioning part is detected in the communication line, before disconnecting the related connector for inspection, press the connector in the connection direction to verify that there is no looseness or disconnection.
- When disconnecting the connector, verify that there is no damage, deformation, or corrosion of the connector terminals.

1. Verify the CAN system-related module DTCs and the failed module using the (M-MDS).

2. Look for a DTC display pattern and failed module display pattern in tandem which match.
NOTE:
- A hyphen " - " in the DTC output pattern table indicates that the DTC may be displayed depending on the malfunction detection conditions. If only an " x " is indicated, it means the DTC will not be displayed.
- If any of the following DTCs is displayed alone, perform the applicable DTC inspection. DTC Table Multiplex Communication System

- TCM: U0401, U0415
- DSC HU/CM: U2023
- BCM: U0401
- Keyless control module: U2023
- Instrument cluster: U0401:68, U0401:92, U0402:68, U0402:92, U0415:68, U0415:92, U0452:92, U0515:68, U0515:92, U2005:86

3. Refer to the matching tandem diagnostic results (A to K) and inspect the possible cause and inspection item.

4. Perform the DTC inspection after the repair procedure.

- If any DTC is displayed, return to Initial Inspection and Diagnostic Overview.

Diagnostic Table for Determining Malfunctioning Part
Cross (x): DisplayedHyphen (-): May or may not be displayed









*1
With advanced keyless entry and start system

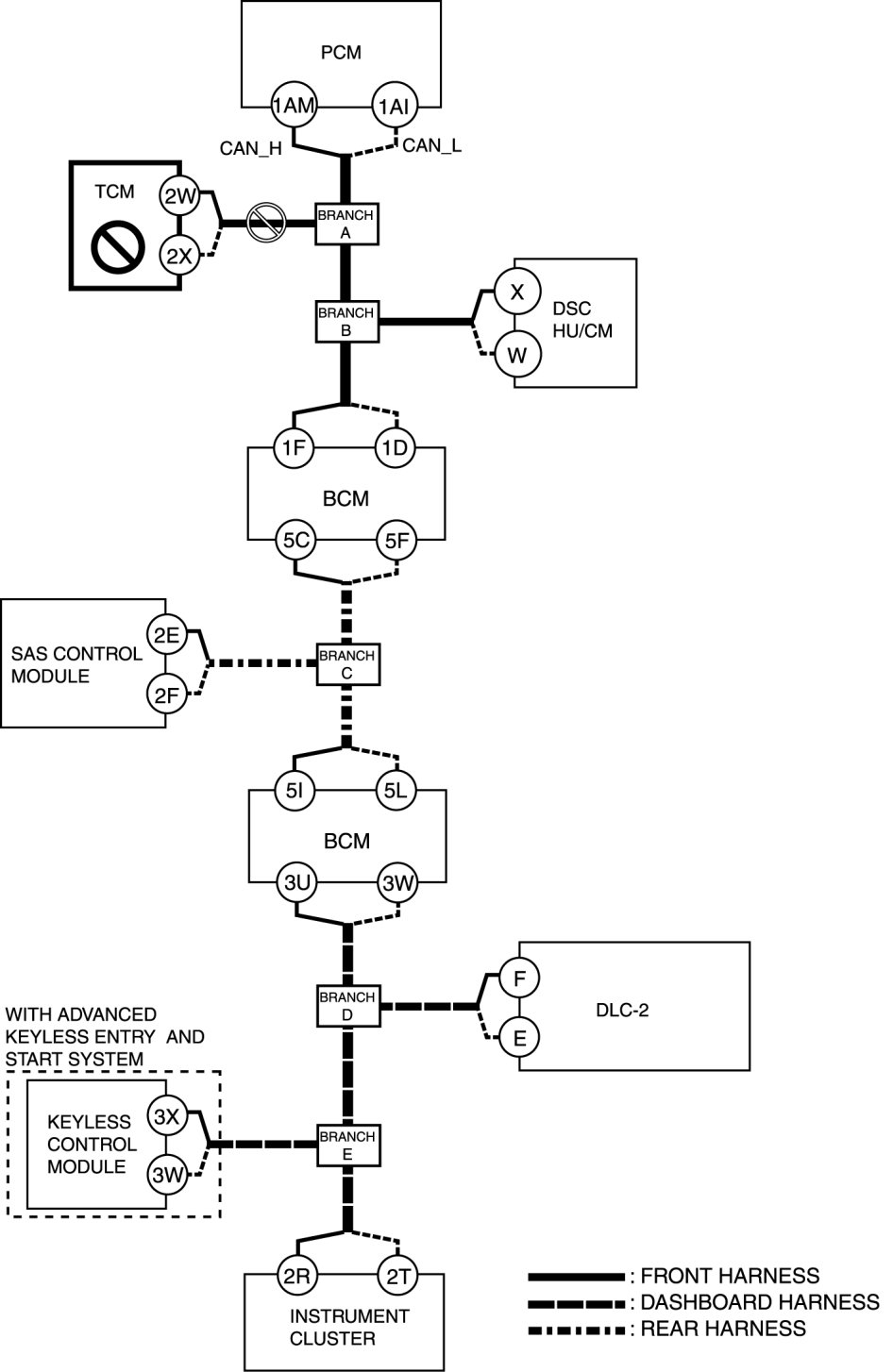
A

Possible cause

- Connector terminal disconnection, poor contact, damage, deformation, corrosion
- Open circuit in wiring harness between PCM and branch A
- PCM malfunction

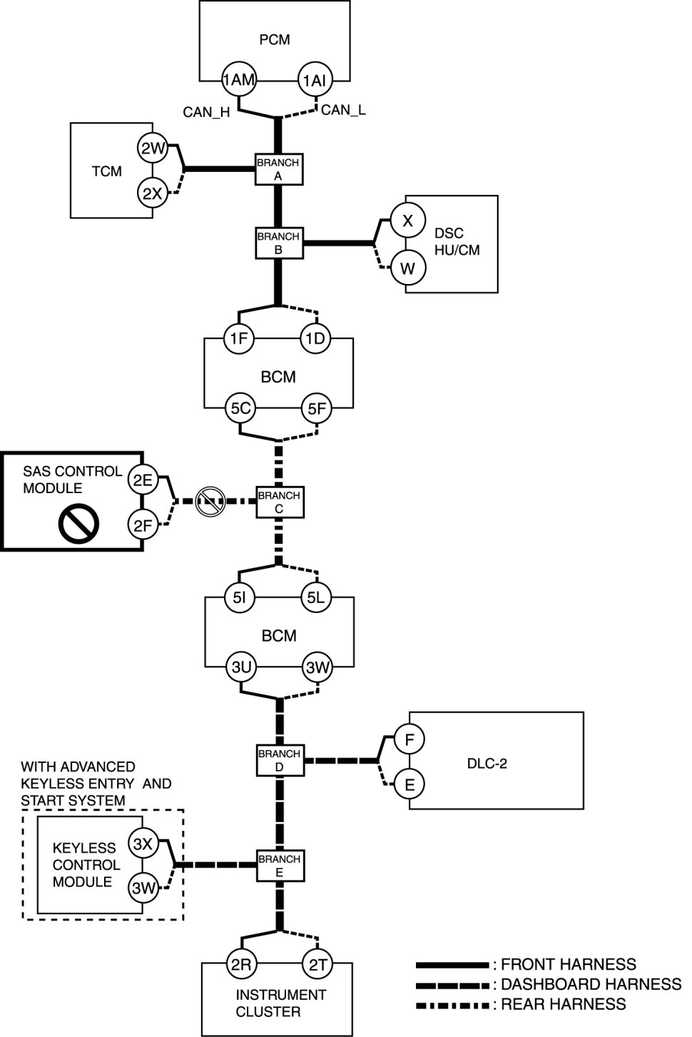
System wiring diagram





Inspection item

- PCM connector
- Wiring harness between PCM terminal 1AM and branch A
- Wiring harness between PCM terminal 1AI and branch A
- PCM

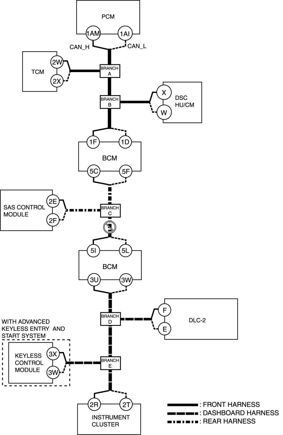
B

Possible cause

- Connector terminal disconnection, poor contact, damage, deformation, corrosion
- Open circuit in wiring harness between TCM and branch A
- TCM malfunction

System wiring diagram





Inspection item

- TCM connector
- Wiring harness between TCM terminal 2W and branch A
- Wiring harness between TCM terminal 2X and branch A
- TCM

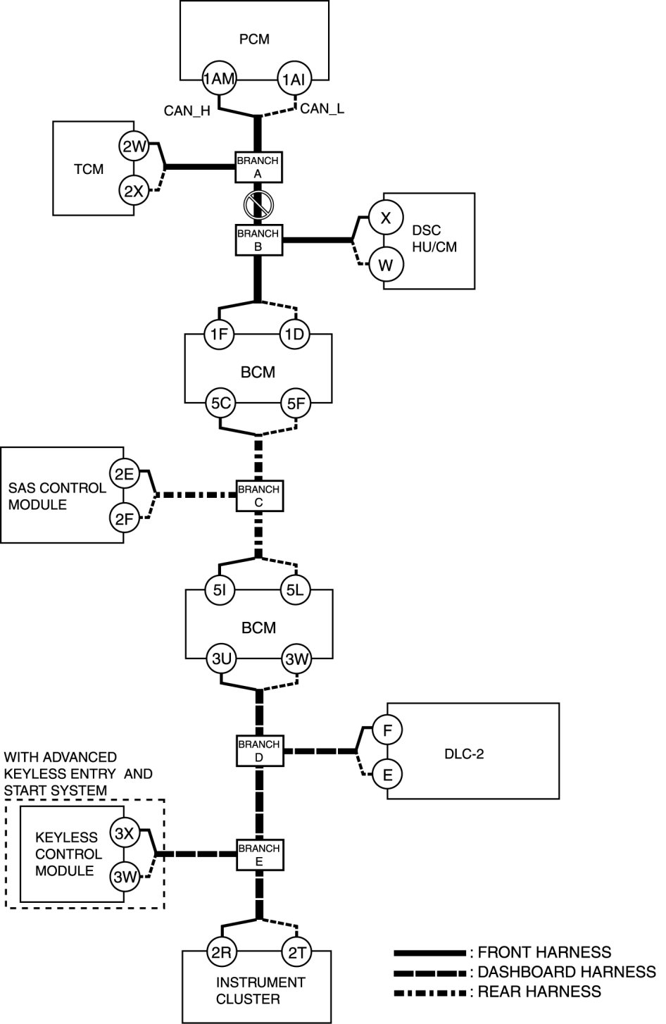
C

Possible cause

- Connector terminal disconnection, poor contact, damage, deformation, corrosion
- Open circuit in wiring harness between branch A and branch B

System wiring diagram





Inspection item

- Wiring harness between branch A and branch B

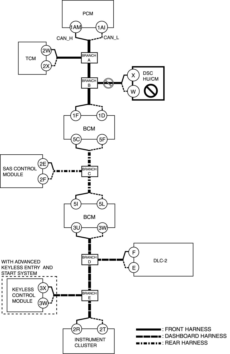
D

Possible cause

- Connector terminal disconnection, poor contact, damage, deformation, corrosion
- Open circuit in wiring harness between DSC HU/CM and branch B
- DSC HU/CM malfunction

System wiring diagram





Inspection item

- DSC HU/CM connector
- Wiring harness between DSC HU/CM terminal X and branch B
- Wiring harness between DSC HU/CM terminal W and branch B
- DSC HU/CM

E

Possible cause

- Connector terminal disconnection, poor contact, damage, deformation, corrosion
- Open circuit in wiring harness between branch B and BCM
- Open circuit in wiring harness between BCM and branch C
- BCM malfunction

System wiring diagram





Inspection item

- BCM connector
- Wiring harness between BCM terminal 1F and branch B
- Wiring harness between BCM terminal 1D and branch B
- Wiring harness between BCM terminal 5C and branch C
- Wiring harness between BCM terminal 5F and branch C
- BCM

F

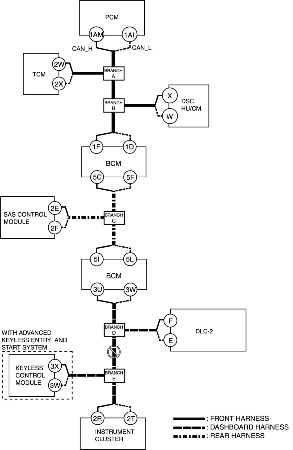
Possible cause

- Connector terminal disconnection, poor contact, damage, deformation, corrosion
- Open circuit in wiring harness SAS control module and branch C
- SAS control module malfunction

System wiring diagram





Inspection item

- SAS control module connector
- Wiring harness between SAS control module terminal 2E and branch C
- Wiring harness between SAS control module terminal 2F and branch C
- SAS control module

G

Possible cause

- Connector terminal disconnection, poor contact, damage, deformation, corrosion
- Open circuit in wiring harness between branch C and BCM

System wiring diagram





Inspection item

- BCM connector
- Wiring harness between BCM terminal 5I and branch C
- Wiring harness between BCM terminal 5L and branch C

H

Possible cause

- Connector terminal disconnection, poor contact, damage, deformation, corrosion
- Open circuit in wiring harness between BCM and branch D
- BCM malfunction

System wiring diagram





Inspection item

- BCM connector
- Wiring harness between BCM terminal 3U and branch D
- Wiring harness between BCM terminal 3W and branch D
- BCM

I

Possible cause

- Connector terminal disconnection, poor contact, damage, deformation, corrosion
- Open circuit in wiring harness branch D and branch E

System wiring diagram





Inspection item

- Wiring harness between branch D and branch E

J

Possible cause

- Connector terminal disconnection, poor contact, damage, deformation, corrosion
- Open circuit in wiring harness keyless control module and branch E
- Keyless control module malfunction

System wiring diagram





Inspection item

- Keyless control module connector
- Wiring harness between keyless control module terminal 3X and branch E
- Wiring harness between keyless control module terminal 3W and branch E
- Keyless control module

K

Possible cause

- Connector terminal disconnection, poor contact, damage, deformation, corrosion
- Open circuit in wiring harness between branch E and instrument cluster
- Instrument cluster malfunction

System wiring diagram





Inspection item

- Instrument cluster connector
- Wiring harness between instrument cluster terminal 2R and branch E
- Wiring harness between instrument cluster terminal 2T and branch E
- Instrument cluster