Curiosii for ever!: Car repair manuals for everyone.

AWD Control Module Removal/Installation




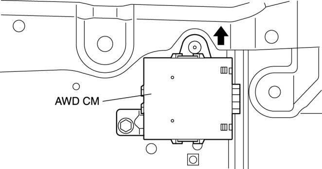
AWD CONTROL MODULE REMOVAL/INSTALLATION

1. Disconnect the negative battery cable.

2. Remove the lower panel (Driver's side). Lower Panel Removal/Installation

3. Remove in the order indicated in the table.

4. Install in the reverse order of removal.










AWD CM Removal Note

1. Push up the AWD CM slightly, and remove it.