Curiosii for ever!
: Car repair manuals for everyone.
Home
>>
Mazda Truck
>>
2010
>>
CX-7 AWD L4-2.3L Turbo
>>
Repair and Diagnosis
>>
Powertrain Management
>>
Computers and Control Systems
>>
Body Control Module
>>
Description and Operation
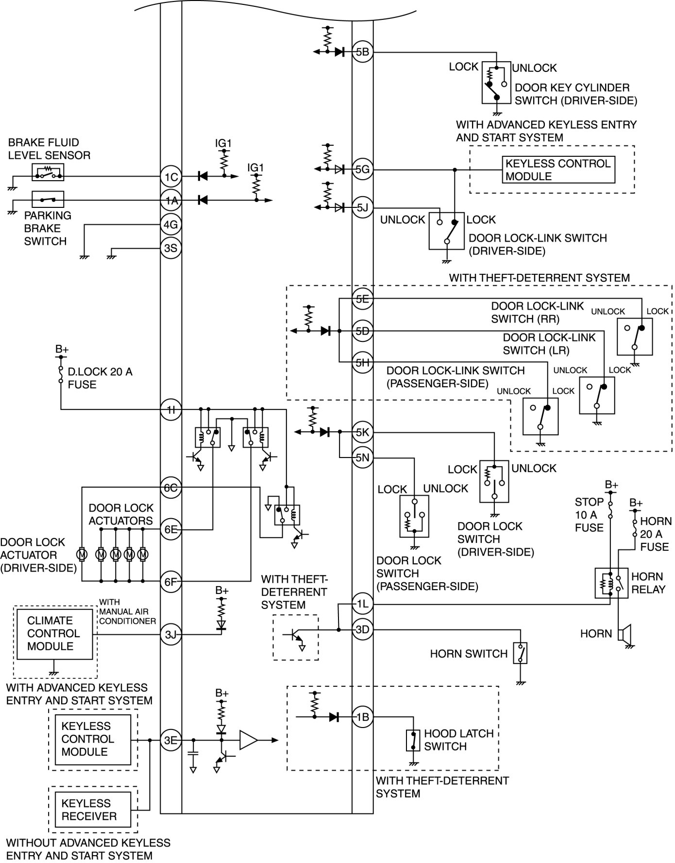
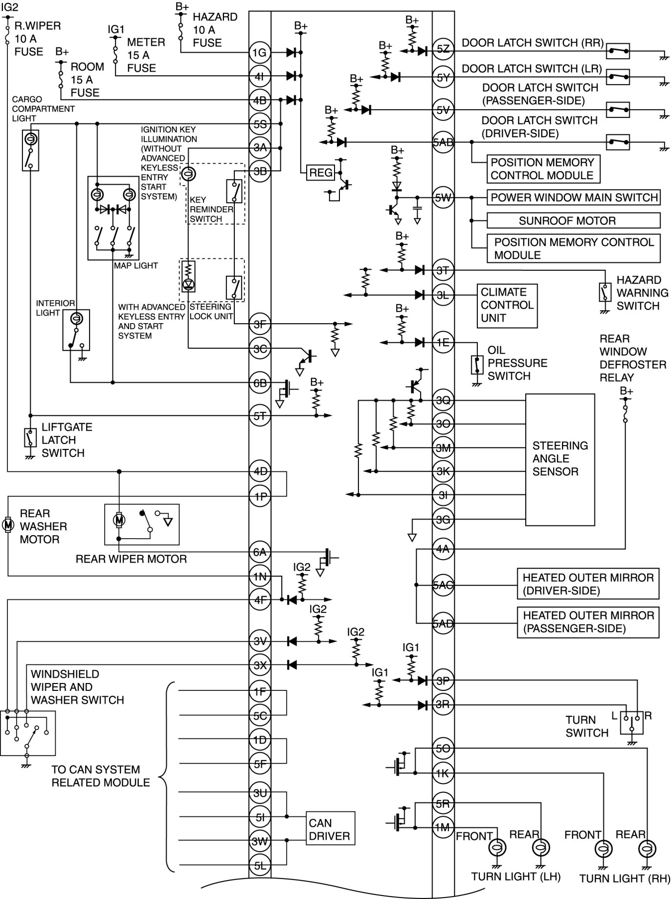
Body Control Module: Description and Operation
ON-BOARD DIAGNOSTIC WIRING DIAGRAM [
BCM
]