Curiosii for ever!
: Car repair manuals for everyone.
Home
>>
Mazda Truck
>>
2010
>>
CX-7 AWD L4-2.3L Turbo
>>
Repair and Diagnosis
>>
Diagrams
>>
Exploded Views
>>
Engine
Engine
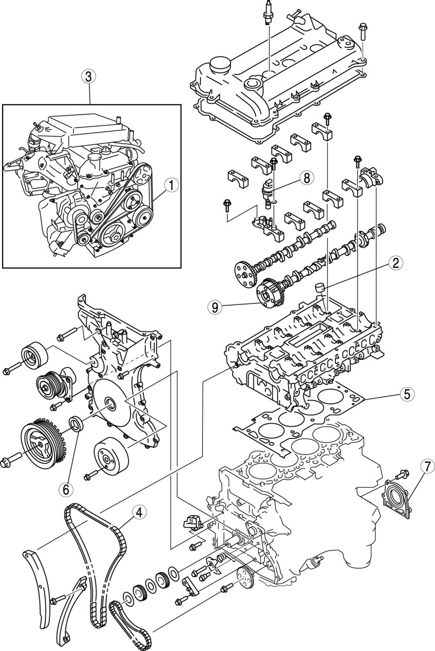
ENGINE LOCATION INDEX [L3 WITH TC]