Curiosii for ever!
: Car repair manuals for everyone.
Home
>>
Mazda Truck
>>
2010
>>
CX-7 AWD L4-2.3L Turbo
>>
Repair and Diagnosis
>>
Body and Frame
>>
Locks
>>
Keyless Entry
>>
Testing and Inspection
>>
Symptom Related Diagnostic Procedures
>>
Advanced Keyless Entry and Start System
>>
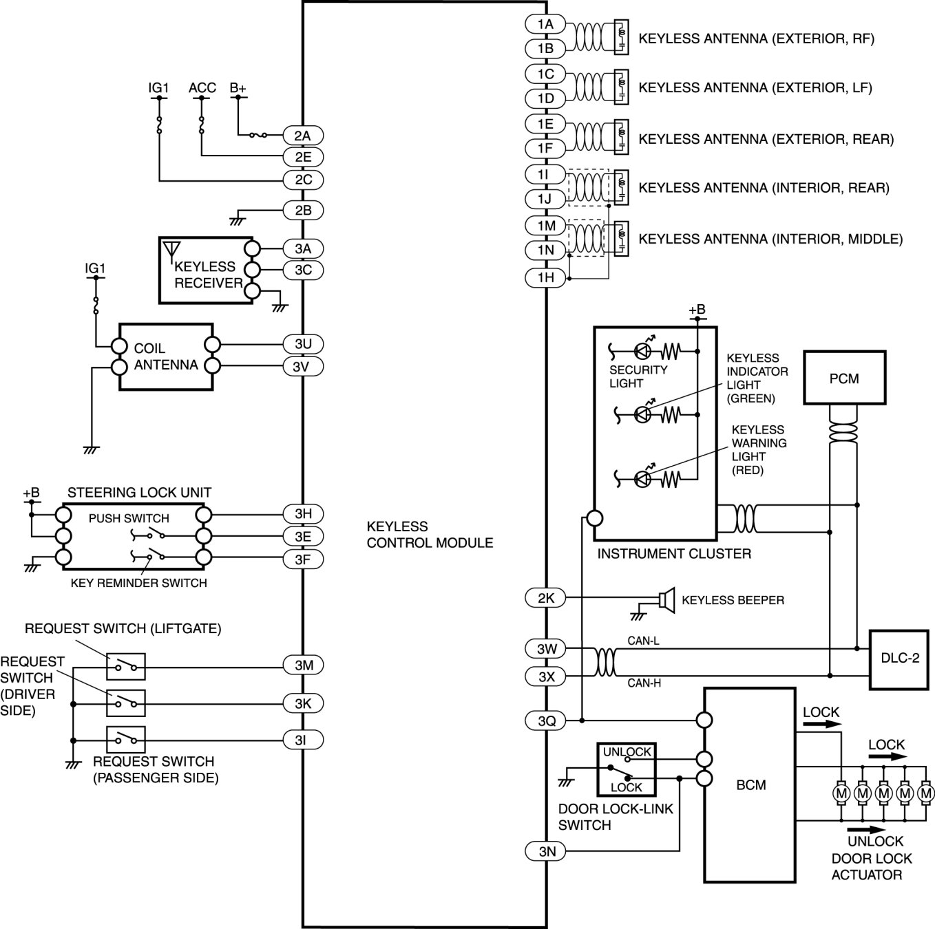
Keyless Entry System Wiring Diagram - Advanced Keyless Entry and Start System
Keyless Entry System Wiring Diagram - Advanced Keyless Entry and Start System
KEYLESS ENTRY SYSTEM WIRING DIAGRAM [ADVANCED
KEYLESS ENTRY
AND START SYSTEM]