Curiosii for ever!
: Car repair manuals for everyone.
Home
>>
Mazda Truck
>>
2009
>>
Tribute 2WD V6-3.0L
>>
Repair and Diagnosis
>>
Powertrain Management
>>
Ignition System
>>
Locations
Ignition System: Locations
-
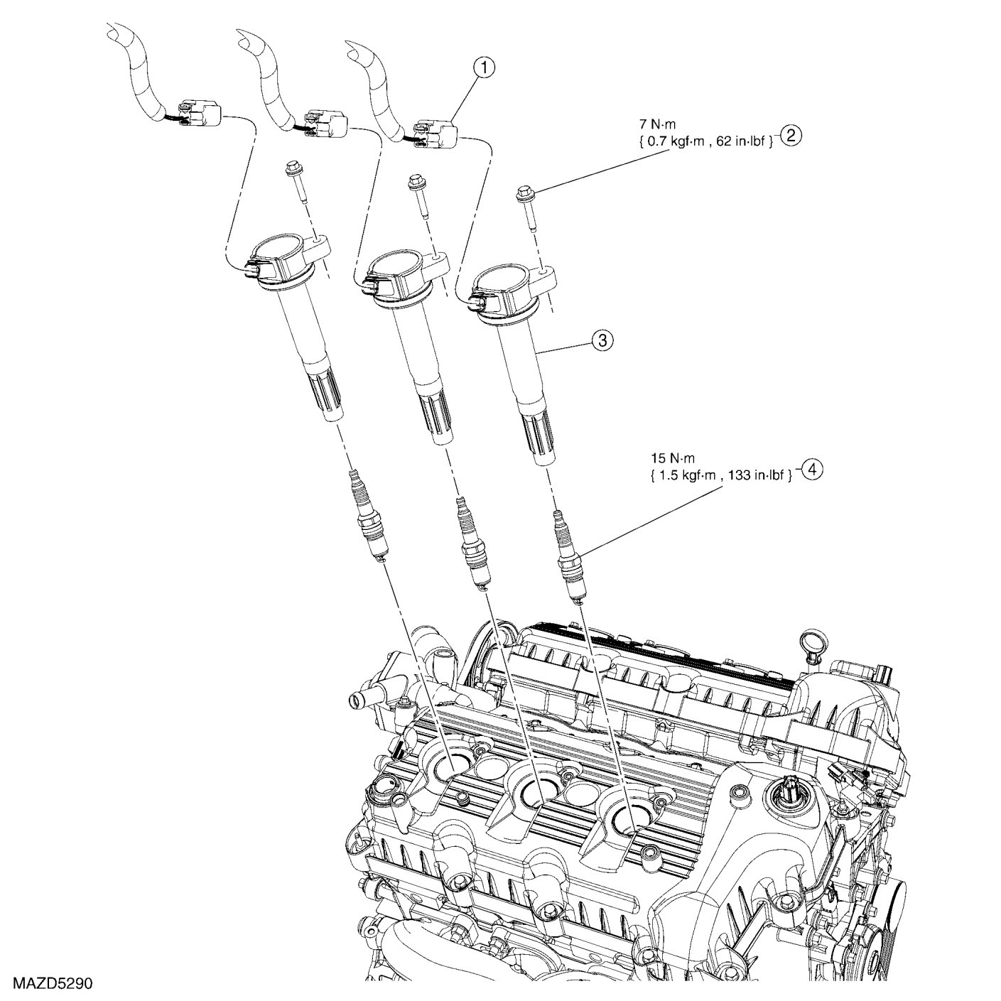
ENGINE IGNITION COMPONENTS - EXPLODED VIEW
Engine Ignition - RH
Engine Ignition - LH
1.
For additional information, see the procedures.