Curiosii for ever!
: Car repair manuals for everyone.
Home
>>
Mazda Truck
>>
2009
>>
Tribute 2WD L4-2.5L
>>
Repair and Diagnosis
>>
Diagrams
>>
Exploded Views
>>
Engine
>>
Cylinder Head Assembly
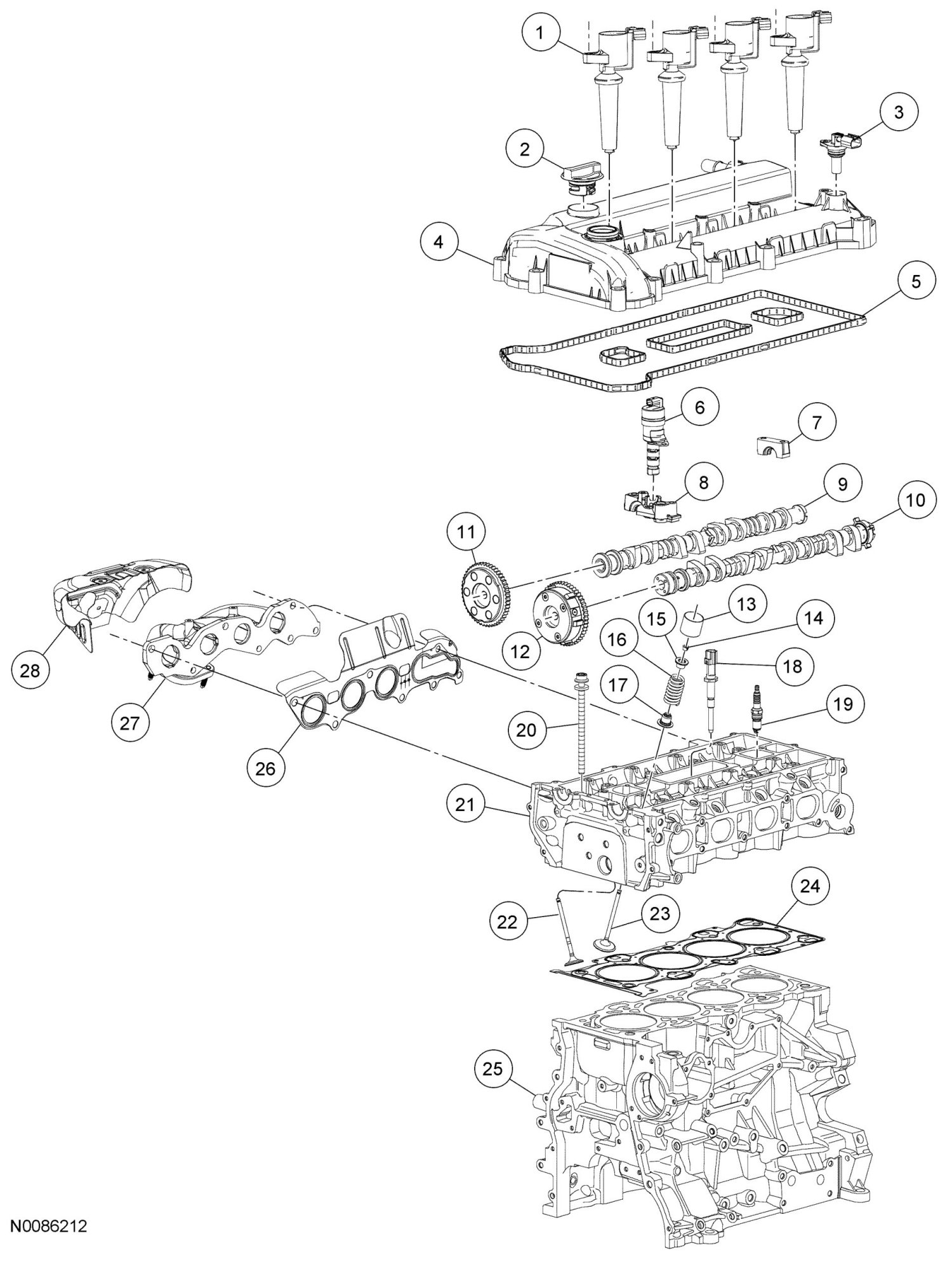
Cylinder Head Assembly
-
CYLINDER HEAD EXPLODED VIEW - 2.5L
1.
For additional information, see the procedures.