Curiosii for ever!
: Car repair manuals for everyone.
Home
>>
Mazda Truck
>>
2009
>>
CX-7 AWD L4-2.3L Turbo
>>
Repair and Diagnosis
>>
Body and Frame
>>
Locks
>>
Keyless Entry
>>
Keyless Starting System
>>
Testing and Inspection
>>
Scan Tool Testing and Procedures
>>
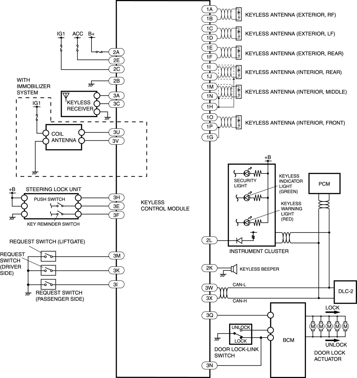
System Wiring Diagram [Advanced Keyless And Start System]
System Wiring Diagram [Advanced Keyless And Start System]
SYSTEM WIRING DIAGRAM [ADVANCED KEYLESS AND START SYSTEM]