Curiosii for ever!
: Car repair manuals for everyone.
Home
>>
Mazda Truck
>>
2009
>>
B2300 L4-2.3L
>>
Repair and Diagnosis
>>
Heating and Air Conditioning
>>
Locations
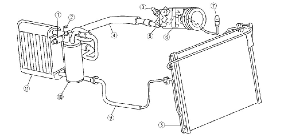
Heating and Air Conditioning: Locations
A/C SYSTEM STRUCTURAL VIEW