Curiosii for ever!
: Car repair manuals for everyone.
Home
>>
Mazda Truck
>>
2008
>>
Tribute 4WD L4-2.3L
>>
Repair and Diagnosis
>>
Diagrams
>>
Exploded Views
>>
Suspension
>>
System Diagram
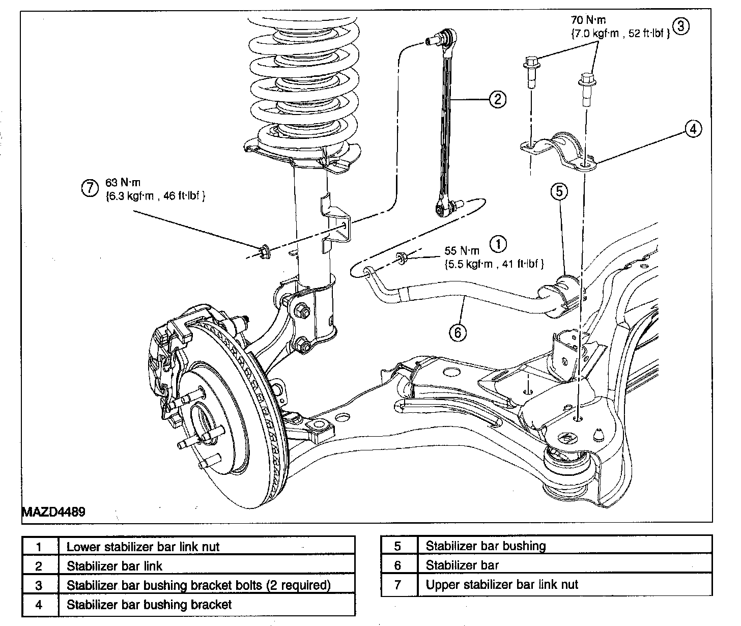
System Diagram
FRONT
SUSPENSION
- EXPLODED VIEW
Front Suspension - Exploded View (Part 1):
Front Suspension - Exploded View (Part 2):