Curiosii for ever!: Car repair manuals for everyone.

Engine

LOWER ENGINE BLOCK - 2.3L EXPLODED VIEW

Lower Engine Block - 2.3L:





FRONT ENGINE BLOCK - 2.3L EXPLODED VIEW

Front Engine Block - 2.3L (Part 1):




Front Engine Block - 2.3L (Part 2):





INTAKE MANIFOLD - 2.3L EXPLODED VIEW

Intake Manifold - 2.3L:





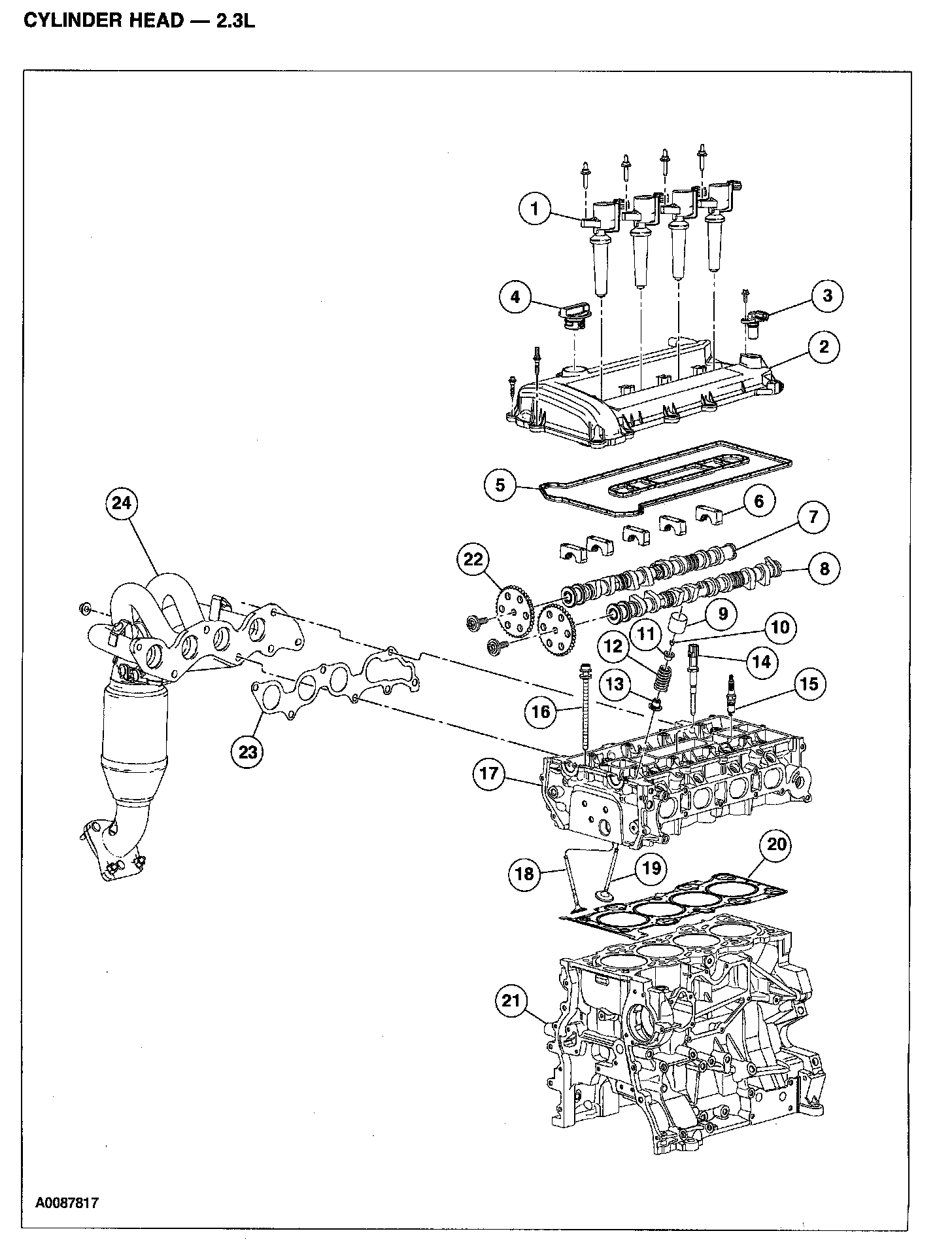
CYLINDER HEAD - 2.3L EXPLODED VIEW

Cylinder Head - 2.3L (Part 1):




Cylinder Head - 2.3L (Part 2):