Curiosii for ever!
: Car repair manuals for everyone.
Home
>>
Mazda Truck
>>
2008
>>
Tribute 2WD V6-3.0L
>>
Repair and Diagnosis
>>
Diagrams
>>
Exploded Views
>>
Engine
>>
Intake Manifold
Intake Manifold
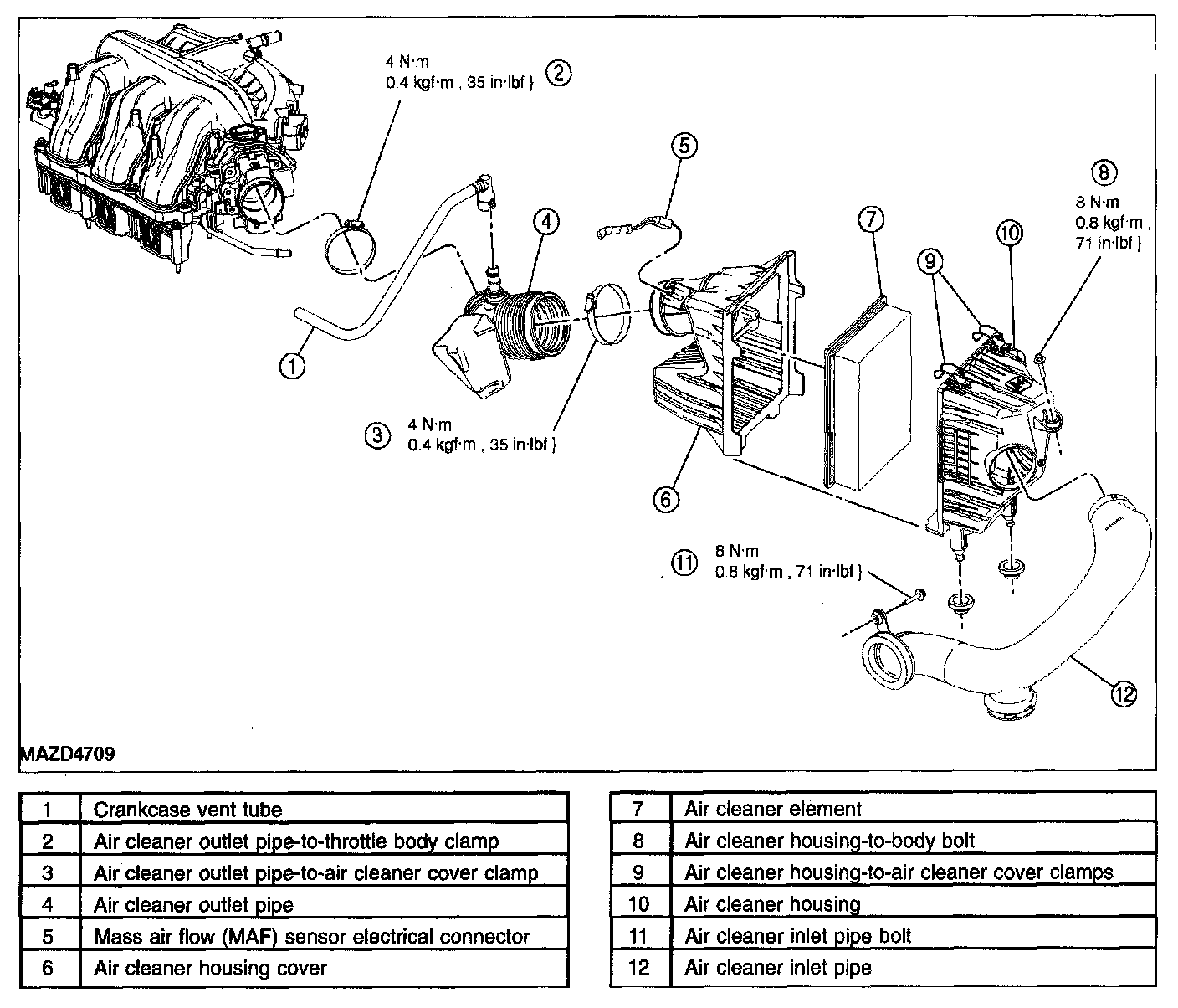
INTAKE AIR SYSTEM COMPONENTS - 3.0L (4V) EXPLODED VIEW
Intake Air System Components-3.0L (4V) Exploded View:
1.
For additional information, see the procedures.