Curiosii for ever!: Car repair manuals for everyone.

Multi-Function Switch Removal/Installation

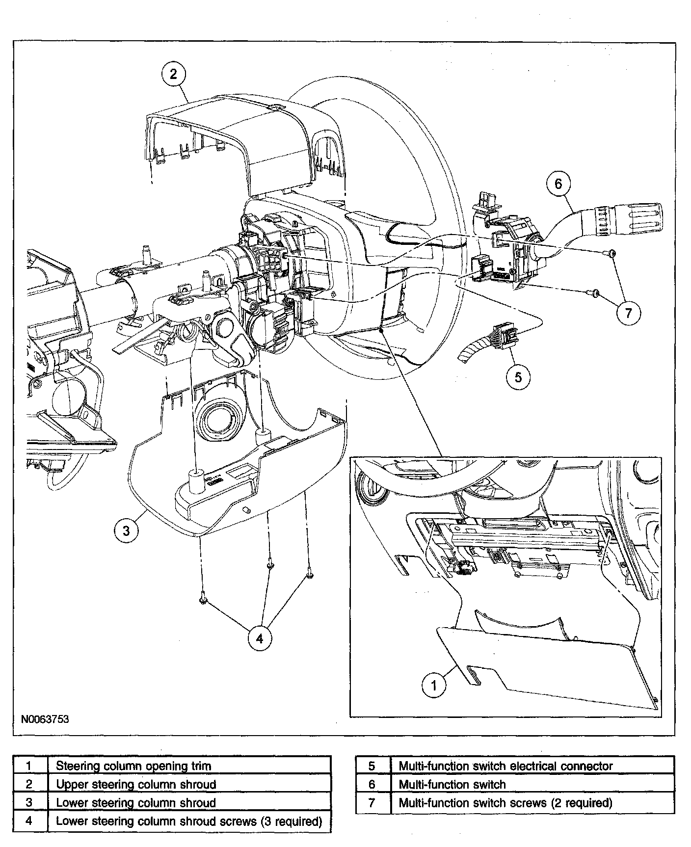
MULTI-FUNCTION SWITCH REMOVAL/INSTALLATION





1. Remove the steering column opening trim.
2. Remove the 3 lower steering column shroud screws.
3. Remove the upper and lower steering column shrouds.
4. Remove the 2 multi-function switch screws.
5. Disconnect the multi-function switch electrical connector and remove the switch.
6. To install, reverse the removal procedure.