Curiosii for ever!: Car repair manuals for everyone.

Steering Column Multi - Function Switch Removal/Installation

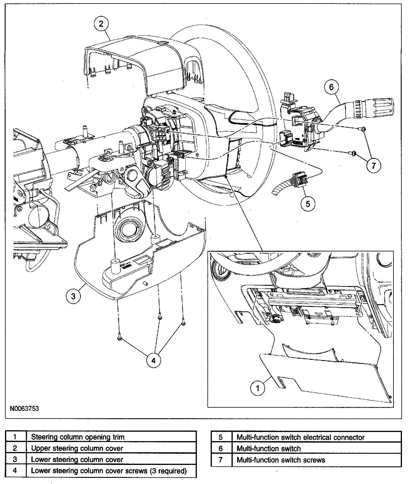
STEERING COLUMN MULTI-FUNCTION SWITCH REMOVAL/INSTALLATION






CAUTION: Do not remove the ignition lock cylinder and the ignition switch at the same time or damage to the column may result.

1. Remove the instrument panel steering column cover.
2. Remove the 3 lower steering column cover screws and the upper and lower steering column covers.
3. Remove the 2 multi-function switch screws.
4. Remove the multi-function switch.
5. To install, reverse the removal procedure.