Curiosii for ever!: Car repair manuals for everyone.

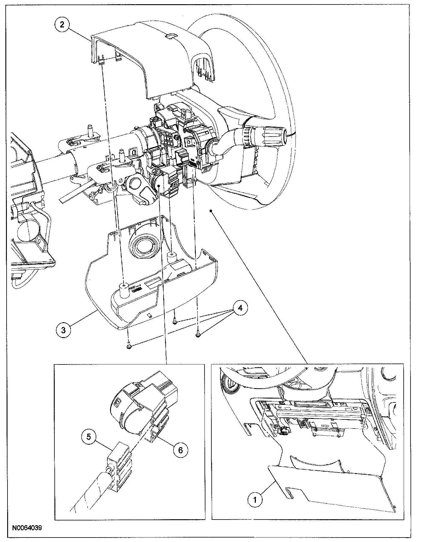
Ignition Switch Removal/Installation

IGNITION SWITCH REMOVAL/INSTALLATION









CAUTION: Do not remove the ignition lock cylinder and the ignition switch at the same time or damage to the column can result.

1. Remove the steering column opening trim.
2. Remove the 3 lower steering column cover screws.
3. Remove the upper and lower steering column covers.
4. Disconnect the ignition switch electrical connector.
5. Remove the ignition switch by pressing the 2 tabs and pulling the ignition switch outward.
6. To install, reverse the removal procedure.