Curiosii for ever!
: Car repair manuals for everyone.
Home
>>
Mazda Truck
>>
2008
>>
Tribute 2WD L4-2.3L
>>
Repair and Diagnosis
>>
Locations
>>
Component Locations
>>
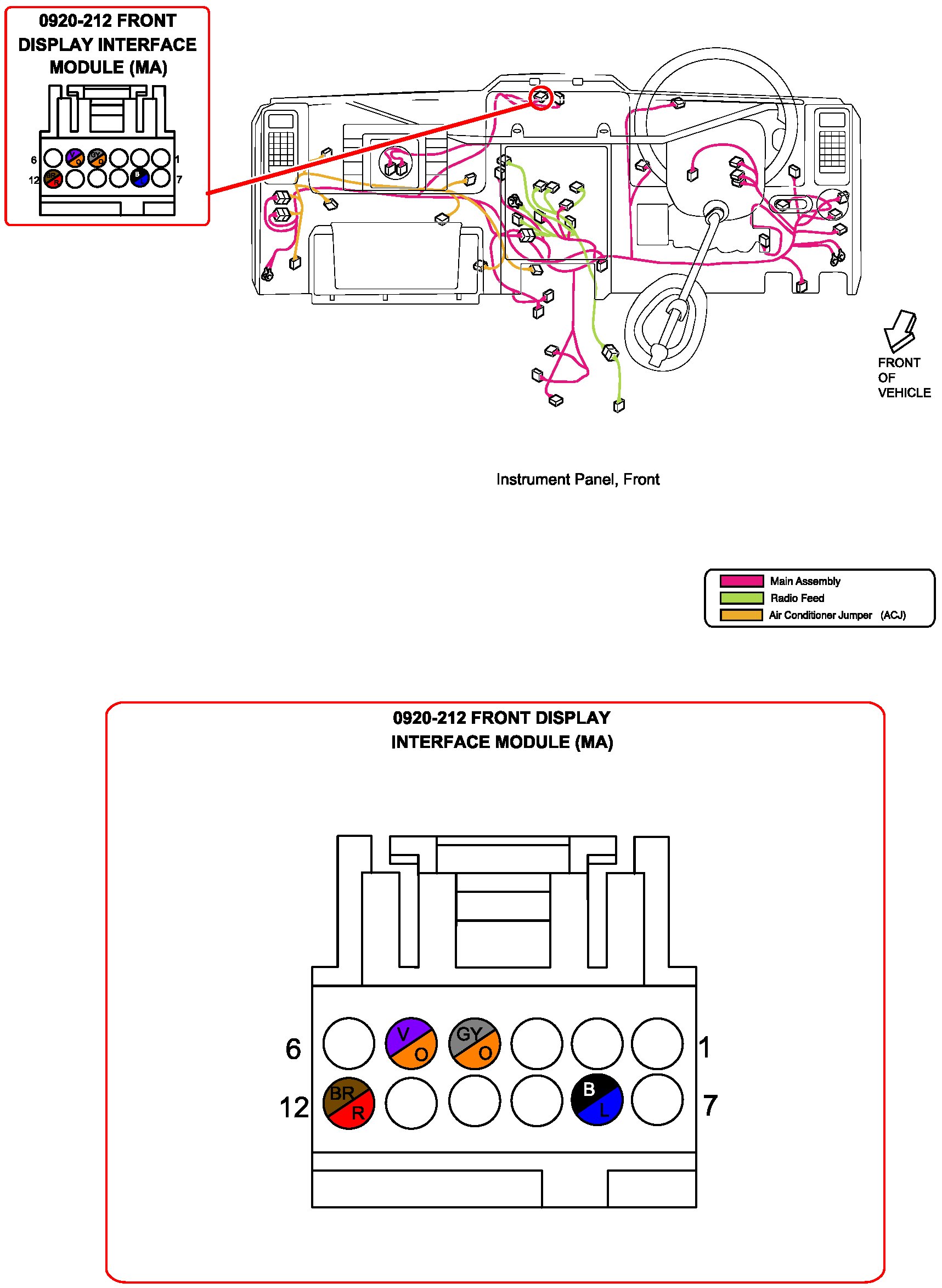
Front Display Interface Module
Front Display Interface Module
Front Display Interface Module: