Curiosii for ever!
: Car repair manuals for everyone.
Home
>>
Mazda Truck
>>
2008
>>
Tribute 2WD L4-2.3L
>>
Repair and Diagnosis
>>
Diagrams
>>
Exploded Views
>>
Steering Gear
Steering Gear
STEERING
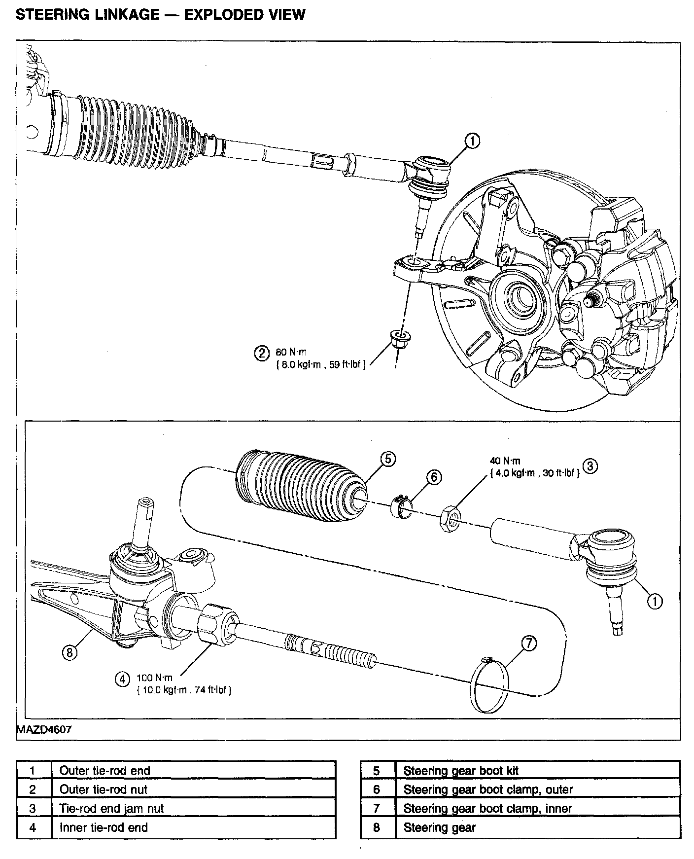
LINKAGE - EXPLODED VIEW
Steering Linkage - Exploded View: