Curiosii for ever!: Car repair manuals for everyone.

Part 3




ELECTRONIC ENGINE CONTROL (EEC) SYSTEM

Part 3 of 4

Continued From Part 2 Part 2

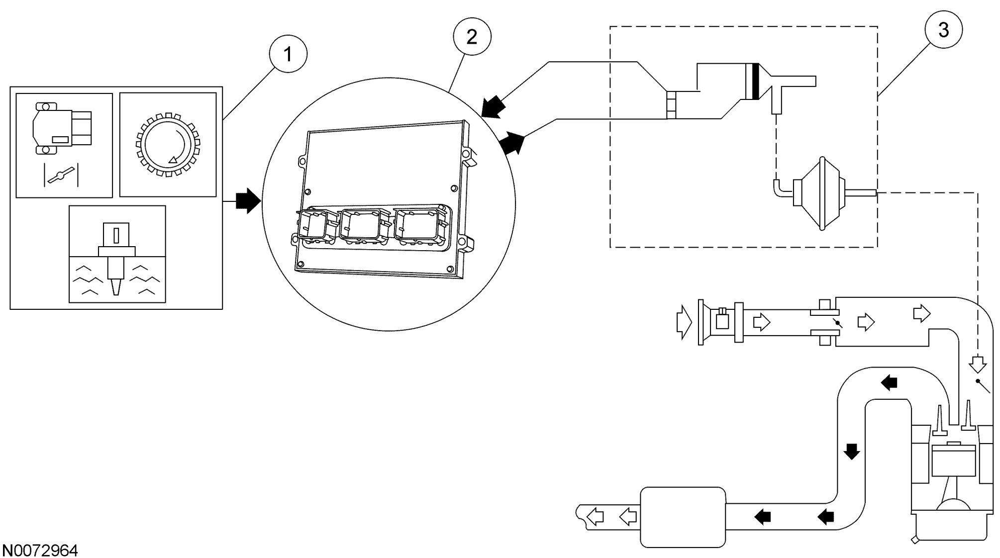
Throttle Body System Overview


NOTE: The traditional idle air adjust procedure and the throttle return screw are no longer used on OBD applications
The throttle body system meters air to the engine during idle, part throttle, and wide open throttle (WOT) conditions. The throttle body system consists of an idle air control (IAC) valve assembly, an idle air orifice, single or dual bores with butterfly valve throttle plates, and a throttle position (TP) sensor. One other source of idle air flow is the positive crankcase ventilation (PCV) system. The combined idle air flow (from idle air orifice IAC flow and PCV flow) is measured by the MAF sensor on all applications.
During idle, the throttle body assembly provides a set amount of air flow to the engine through the idle air passage and the PCV valve. The IAC valve assembly provides additional air when commanded by the PCM to maintain the correct engine idle speed under varying conditions. The IAC valve assembly mounts directly to the intake manifold assembly in most applications. Idle speed is controlled by the PCM and cannot be adjusted.
Throttle rotation is controlled by a cam/cable linkage to slow the initial opening rate of the throttle plate. The TP sensor monitors the throttle position and provides a signal to the PCM. Some throttle body applications provide an air supply channel upstream of the throttle plate to provide fresh air to the PCV or IAC systems. Other throttle body applications provide individual vacuum taps downstream of the throttle plate for PCV return, exhaust gas recirculation (EGR), evaporative emission (EVAP), and miscellaneous control signals.

Throttle Body System Hardware

The major components of the throttle body assembly include the TP sensor, the IAC valve assembly, and the throttle body housing assembly.

Throttle Body Housing

The throttle body housing assembly is a single piece aluminum or plastic casting with an air passage and a butterfly throttle plate with linkage mechanisms. When the throttle plate is in the idle (or closed) position, the throttle lever arm should be in contact with the throttle return stop. The throttle return stop prevents the throttle plate from contacting the bore and sticking closed. The setting also establishes the amount of air flow between the throttle plate and bore. To minimize the closed plate air flow, a special coating is applied to the throttle plate and bore to help seal this area. This sealant/coating also makes the throttle body resistant to engine intake sludge accumulation.

Features of the Throttle Body Assembly include:

1. IAC valve assembly mounted directly to the throttle body assembly (some vehicles).

2. A pre-set stop to locate the WOT position.

3. An air supply channel upstream of the throttle plate to provide fresh air to the PCV system (some vehicles only).

4. Individual vacuum taps for PCV, EGR, EVAP and miscellaneous control signals (some vehicles only).

5. PCV air return (if applicable).

6. A throttle body-mounted TP sensor.

7. A sealant/coating on the throttle bore and throttle plate makes the throttle body air flow tolerant to engine intake sludge accumulation. These throttle body assemblies must not be cleaned and have a white/black attention decal advising not to clean.

8. A non-adjustable stop screw for close plate idle air flow.

Overview of the Intake Manifold Runner Control (IMRC) and Intake Manifold Tuning Valve (IMTV) Systems

There are 3 basic types of intake air sub-systems:

- IMRC electric actuated system
- IMRC vacuum actuated system
- IMTV

There are several different styles of hardware used to control airflow within the engine air intake system. In general, the devices are defined based on whether they control in-cylinder motion (charge motion) or manifold dynamics (tuning).The IMRC is a charge motion device that modifies the air charge motion in the manifold. The IMRC control valve is located close to the intake valve/cylinder head. The IMRC actuator can be either electric or vacuum controlled. The IMRC system must have a monitor feedback system in order to meet OBDII regulations.
Some vehicles may use both systems.These subsystems are used to provide increased intake airflow to improve torque, emissions and performance. The overall volume of air metered to the engine is controlled by the throttle body.

Intake Manifold Runner Control (IMRC) Vacuum Actuated System

WARNING: Substantial opening and closing torque is applied by this system. To prevent injury, be careful to keep fingers away from lever mechanisms when actuated. Failure to follow these instructions may result in personal injury.
The IMRC vacuum actuated system consists of a manifold mounted vacuum actuator and a PCM controlled electric solenoid. The linkage from the actuator attaches to the manifold butterfly plate lever. The IMRC actuator and manifold are composite/plastic with a single intake air passage for each cylinder. The passage has a butterfly valve plate that blocks a large percentage of the opening when actuated, leaving the top of the passage open to generate turbulence. The housing uses a return spring to hold the butterfly valve plates open. The vacuum actuator houses an internal monitor circuit to provide feedback to the PCM indicating the butterfly valve plate position.
Below approximately 3,000 RPM, the vacuum solenoid is energized. This allows manifold vacuum to be applied and the butterfly valve plates to remain closed. Above approximately 3,000 RPM, the vacuum solenoid is de-energized. This allows vacuum to vent from the actuator and the butterfly valve plates to open.
1. The PCM monitors the TP sensor, CHT, and CKP signals to determine activation of the IMRC system. There must be a positive change in voltage from the TP sensor along with the increase in RPM at the correct engine temperature to open the valve plates.

2. The PCM uses the information from the input signals to control the IMRC electric solenoid based upon changes in the throttle position, the engine temperature, and the RPM.

1. The PCM energizes the solenoid with the key on and the engine running. Vacuum is then applied to the actuator to pull the butterfly plates closed.






Positive Crankcase Ventilation (PCV) System

Overview

The PCV system cycles crankcase gases back through the intake air system into the engine where they are burned. The PCV valve regulates the amount of ventilated air and blow-by gases to the intake manifold.

CAUTION: Do not remove the PCV system from the engine. Removal of the PCV system will adversely affect the fuel economy and engine ventilation and result in shorter engine life.





PCV systems that comply with OBD PCV monitoring requirements use a quarter-turn cam-lock thread design at one end to prevent accidental disconnection from the valve cover. For more information about the PCV monitor, see Engine OBD II Monitors.

Powertrain Control Module (PCM) Controlled Charging System

Overview


NOTE: When the battery (or PCM) is disconnected and connected, some abnormal drive symptoms may occur while the vehicle relearns its adaptive strategy. The charging system set point may also vary. The vehicle may need to be driven to relearn its strategy.
When the battery (or PCM) is disconnected and connected, some abnormal drive symptoms may occur while the vehicle relearns its adaptive strategy. The charging system set point may also vary. The vehicle may need to be driven to relearn its strategy.
The second benefit is improved engine performance. Whenever the PCM senses a wide open throttle (WOT) condition, the PCM momentarily lowers the regulator voltage set point. This reduces the torque load of the generator on the engine and improves acceleration. The PCM has a calibratable time limit on this reduced voltage feature. This is to prevent the generator output from being cut back for an extended WOT period, which could cause battery discharge.
The third benefit is improved idle stability. In response to the PCMs GENRC signal, the regulator uses a generator load input (GENLI) signal to provide feedback to the PCM. The GENLI signal provides the PCM with charging system information. Specifically, it lets the PCM know when the charging system receives a transient electrical load which would normally affect idle stability. Because the PCM can anticipate additional loads, actions can be taken to minimize idle sag. The PCM can choose to either reduce the regulator set point or increase engine idle speed, both of which are calibratable features. In order to establish whether the regulator is accurately maintaining the desired voltage set point, the regulator uses a charging system voltage line to sense battery voltage.
The fourth benefit is reduced cranking efforts. The PCM can reduce the mechanical load on the starter by initially commanding a low voltage set point. This may improve start times.
If the PCM detects a charging system error, it broadcasts a low voltage telltale (ON) network communication message which tells the cluster to illuminate the charge indicator. The charge indicator is illuminated if the PCM does not see a signal on the GENLI circuit for a time period greater than 500 milliseconds. This telltale command is also used to indicate over-voltage conditions detected by the PCM-controlled generator.
Each time the ignition switch is cycled to the run position, the instrument cluster initiates a bulb check by illuminating the charge indicator. It is the responsibility of the PCM to issue a low voltage telltale (OFF) command if the charging system is functioning correctly. This message should be sent during the network initialization in the voluntary phase (250 milliseconds to 450 milliseconds after the ignition switch is cycled to the run position). If a low voltage telltale (OFF) communications network message is not received, the instrument cluster continues to illuminate the charge indicator indefinitely.






Communication Error

It is possible to receive a communication error from a IDS or equivalent tester when initiating a diagnostic test or accessing PIDs. The communication error can be caused by operator error, the vehicle wiring, connectors, the PCM or other control modules connected to the DLC wiring. The PCM will respond to a IDS or equivalent tester whenever the tool requests a test. These are not DTCs. Listed below are numeric codes and generic descriptions that a scan tool may display when trying to carry out some PCM operations. It is possible to get other numeric codes not listed. For a complete list of communication response codes, See society of automotive engineers (SAE) document J2190 enhanced E/E Diagnostic Test Modes. Some are normal responses to valid requests. The others are communication error responses. If the tool displays any of the communication error responses check scan tool connections, cable/adapters and entry of vehicle information.






Diagnostic Tools

Below is an equipment list:REQUIRED EQUIPMENT:

- Vehicle Communication Module (VCM) and Integrated Diagnostic System (IDS) software with appropriate hardware, or equivalent scan tool with functionality described under Scan Tool Setup and Functionality.
- Smoke Machine, Fuel Evaporative Emission System Tester.RECOMMENDED EQUIPMENT:

- Vacuum/Pressure Tester. Range 0-101.3 kPa (0-30 in-Hg.) Resolution 3.4 kPa (1 in-Hg.)
- Vacuum Tester. Range 0-101.3 kPa (0-30 in-Hg.)
- Digital Volt Ohm Meter. Input impedance 10 Megaohm minimum.
- Spark Tester
- Non-powered test lamp.OPTIONAL EQUIPMENT:

- Fuel (Gasoline) pressure test kit. (Use tool manufacturer's instructions.)

Scan Tool Setup and Functionality

- Connect the scan tool to the data link connector (DLC) for communication with the vehicle.
- The DLC is located in the driver side compartment under the steering column. It is attached to the instrument panel and accessible from the driver seat.
- The DLC is rectangular in design and capable of accommodating up to 16 terminals. The connector has keying features to allow easy connection.
- The required scan tool functions are described below:

- monitor, record, and playback of parameter identification (PIDs)
- freeze frame PID data
- diagnostic test modes; self-test, DTCs
- output test mode
- resetting keep alive memory (KAM)
- diagnostic monitoring test results (mode 6) for on board diagnostic (OBD) on board monitors
- on-board system readiness (OBD monitor completion status)

Some of these functions are described. Refer to the scan tool manufacturer's instruction manual for specific information on scan tool setup and operation.

Diagnostic Methods

Overview

The Diagnostic Method Section provides information on routine diagnostic tasks.
When following powertrain diagnostics on vehicles with on board diagnostics (OBD), the system may be checked by an off-board tester referred to as a scan tool. This system contains information for carrying out diagnostics with a scan tool. A scan tool has certain generic capabilities that are standard across the automotive industry in the United States and Canada. All functions are selected from a menu. Refer to the instruction manual provided by the tool manufacturer.

Vehicle Check/Preparation

Visual Checks

- Inspect the air cleaner and inlet duct.
- Check all engine vacuum hoses for damage, leaks, cracks, kinks and correct routing.
- Check the electronic engine control (EEC) system wiring harness for correct connections, bent or broken pins, corrosion, loose wires, and correct routing.
- Check the PCM, sensors, and actuators for physical damage.
- Check the engine coolant for correct level and mixture.
- Check the transmission fluid level and quality.
- Make all necessary repairs before continuing with the Quick Test.

Vehicle Preparation

- Carry out all safety steps required to start and run vehicle tests. Apply the parking brake, place the gear selector lever firmly into the PARK position on automatic transmission vehicles or NEUTRAL on manual transmission vehicles, and block the drive wheels.
- Turn off ALL electrical loads: radios, lamps, A/C, blower and fans.
- Start the engine (if the engine runs) and bring it up to the normal operating temperature before running the Quick Test.

Quick Test Description

Quick Test

The quick test is divided into 3 specialized tests:

- Key On Engine Off (KOEO) On-Demand Self-Test
- Key On Engine Running (KOER) On-Demand Self-Test
- Continuous Memory Self-Test

The quick test checks the integrity and function of the electronic engine control (EEC) system and outputs the test results when requested by the scan tool. The quick test also provides a quick check of the powertrain control system, and is usually carried out at the start of each diagnostic procedure with all accessories off. The quick test is also carried out at the end of most pinpoint tests for verification of the repair and to make sure no other concerns are incurred while repairing a previous concern. A system pass is displayed when no DTCs are output and a scan tool communication error does not exist. System pass means that hardware monitored by the PCM is functioning within the normal operating limits. Only a system pass, a DTC, or an incomplete on board diagnostic (OBD) drive cycle (P1000) is displayed.
For applications that use a stand-alone transmission control module (TCM) the PCM does not output TCM DTCs. For TCM self-test and diagnostics, see Diagnostics.

Key On Engine Off (KOEO) On-Demand Self-Test

The KOEO on-demand self-test is a functional test of the PCM carried out on-demand with the key on and the engine off. This test carries out checks on certain sensor and actuator circuits. A concern must be present at the time of testing for the KOEO self-test to detect the concern. When a concern is detected, a DTC is output on the data link at the end of the test as requested by the scan tool.

Key On Engine Running (KOER) On-Demand Self-Test

The KOER on-demand self-test is a functional test of the PCM carried out on-demand with the key on, the engine running and the vehicle stopped. A check of certain inputs and outputs is made during operating conditions and at a normal operating temperature. The brake pedal position, transmission control, and the power steering tests are part of the KOER on-demand self-test and must be carried out during this operation if applicable. These are described below. A concern must be present at the time of testing for the KOER on-demand self-test to detect the concern. When a concern is detected, a DTC is output on the data link at the end of the test as requested by the scan tool.

Brake Pedal Position (BPP) Test

The BPP test checks the ability of the EEC system to detect a change of state in the BPP switch. The brake pedal is briefly applied and released on all vehicles equipped with a BPP input. This is done during a KOER on-demand self-test.

Power Steering Pressure (PSP) Test

The PSP test checks the ability of the EEC system to detect a change in the power steering system fluid pressure. The steering wheel is briefly turned at least 1/4 of a revolution on vehicles equipped with a PSP switch or sensor. This is done during a KOER on-demand self-test.

Continuous Memory Self-Test

The continuous memory self-test is a functional test of the PCM carried out under any condition (engine running or off) with the key on. Unlike the KOEO and KOER self-tests, which can only be activated on-demand, the continuous self-test is always active. A concern does not need to be present when accessing continuous memory self-test DTCs, making the test valuable when diagnosing intermittent concerns. The vehicle may need to be driven or the on board diagnostic (OBD) drive cycle completed to allow the PCM to detect a concern. See On Board Diagnostic (OBD) Drive Cycle for more information. When a concern is stored in memory, a DTC is output on the data link when requested by the scan tool.
There are two types of continuous DTCs. The first type is an emission-related code which illuminates the malfunction indicator lamp (MIL) in the instrument cluster. The second is a non-emission related, non-MIL code which does not illuminate the cluster indicator.
For emission-related MIL codes, the PCM stores the DTC in continuous memory when a concern is detected for the first time. At this point the DTC does not illuminate the MIL and is now considered a pending code. The purpose of pending codes is to assist in repair verification by reporting a pending DTC after one drive cycle. If the same concern is detected after the next ignition start-run cycle, the emission-related MIL code illuminates the MIL. The MIL remains on even if the concern is intermittent. The MIL is extinguished if the concern is not present through 3 consecutive drive cycles or if the concern is fixed and the DTCs are cleared. Also, an emission-related pending MIL and any non-emission related, non-MIL DTCs are erased after approximately 40 vehicle warm-up cycles or if the DTCs are cleared.
Any scan tool that meets OBD requirements can access the continuous memory to retrieve emission-related MIL DTCs. However, not all scan tools access pending and non-emission related, non-MIL DTCs in the same way.
During most diagnostic procedures in this information, it is required that all DTCs be retrieved and cleared. Consult the instruction manual from the tool manufacturer for specific instructions.

Clear the Continuous Diagnostic Trouble Codes (DTCs) and Reset the Emission Monitors Information in the Powertrain Control Module (PCM)

Description

All on board diagnostics (OBDII) scan tools support the clearing of continuous DTCs and resetting of emission monitors information in the PCM.
The clearing of the continuous DTCs allows the scan tool to command the PCM to clear/reset all emission-related diagnostic information. While carrying out this operation DTC P1000 is stored in the PCM until all the OBD system monitors or components have been tested to satisfy a drive cycle without any other concerns occurring.
The following events occur when the continuous DTCs and the emission monitors information is cleared from the PCM:

- The number of DTCs is reset
- The DTCs are cleared
- The freeze frame data is cleared
- The diagnostic monitoring test results are reset
- The status of the OBD II system monitors is reset
- DTC P1000 is set


NOTE: This function is carried out only after retrieval of continuous DTCs.

Resetting The Keep Alive Memory (KAM)

Description

Resetting the KAM returns the PCM memory to its default setting. Adaptive learning contents such as adaptive airflow, idle speed, refueling event, and fuel trim are included. Clear the continuous DTCs in the PCM and reset the emission monitors information, is part of a KAM reset.
After the KAM has been reset, the vehicle may exhibit certain driveability concerns. It is necessary to allow the engine to idle at normal operating temperature with the air conditioning (A/C) OFF for 2 minutes. Then drive the vehicle to allow the PCM to learn the values for optimum driveability and performance.
This function may not be supported by all scan tools. Refer to the scan tool manufacturer's instruction manual.
If an error message is received or the scan tool does not support this function, disconnecting the battery ground cable for a minimum of 5 minutes may be used as an alternative procedure.
A KAM Reset is done as follows:
During key on, engine off with the scan tool, use the reset keep alive memory function. This is found in the active command modes menu on the Integrated Diagnostic System (IDS) scan tool.
If a generic scan tool is used, this function may not be supported. See scan tool manufacturer's instruction manual.
If an error message is received or the scan tool does not support this function, disconnecting the negative battery cable for a minimum of 5 minutes may be used as an alternative procedure.

Continued in Part 4 Part 4