Curiosii for ever!
: Car repair manuals for everyone.
Home
>>
Mazda Truck
>>
2008
>>
CX-7 AWD L4-2.3L Turbo
>>
Repair and Diagnosis
>>
Powertrain Management
>>
Computers and Control Systems
>>
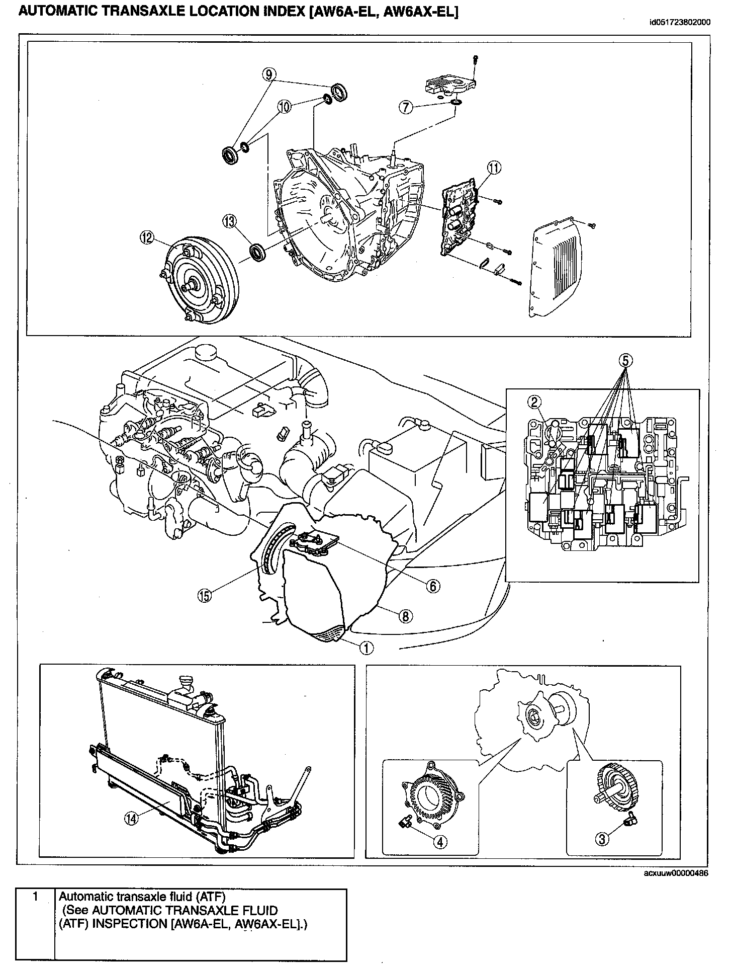
Transmission Position Sensor/Switch
>>
Locations
Transmission Position Sensor/Switch: Locations