Curiosii for ever!: Car repair manuals for everyone.

Part 1

ENGINE CONTROL SYSTEM OPERATION INSPECTION[L3 - WITH TC]

Input Signal System Investigation Procedure
1. Find an unusual signal. (See Finding unusual signals.)
2. Locate the source. (See Locating the source of unusual signals.)
3. Repair or replace the defective part.
4. Confirm that the unusual signal has been erased.

Finding unusual signals
While referring to ON-BOARD DIAGNOSTIC TEST[L3 WITH TC], use the PID/DATA monitor and record function to inspect the input signal system relating to the problem.
1. Start the engine and idle the vehicle. You can assume that any signals that are out of specification by a wide margin are unusual.
2. When recreating the problem, any sudden change in the monitor input signals that is not consciously created by the driver can be determined as unusual.

Locating the source of unusual signals

CAUTION:
- Compare the M-MDS monitor voltage with the measurement voltage using the digital measurement system function. If you use another tester, a misreading may occur.
- When measuring the voltage, attach the tester ground to the ground of the PCM that is being tested, or to the engine itself. If this is not done, the measured voltage and actual voltage may differ
- After connecting the pin to a waterproof coupler, confirm continuity and measure the voltage, and inspect the waterproof connector for cracks. If there are any, use sealant to fix them. Failure to do this may result in deterioration of the wiring harness or terminal from water damage, leading to problems with the vehicle.





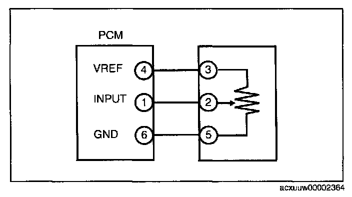
Variable resistance type 1 (TP sensor)

Investigate the input signal system for variable resistance type 1
1. When an unusual signal is received, measure the #1 PCM terminal voltage.
- If the #1 terminal voltage and the M-MDS monitor voltage are the same, proceed to the next step.
- If there is a difference of 0.5 V or more, inspect for the following points concerning the PCM connector:
- Female terminal opening is loose. Coupler (pin holder) damage
- Pin discoloration (blackness)
- Wiring harness-pin crimp is loose or disconnected.

2. Measure the #2 sensor terminal voltage.
- If there is a 0.5 V or more difference between the sensor and M-MDS voltages, inspect the wiring harness for open or short circuits.
- If the sensor and M-MDS voltages are the same, inspect for the following points concerning the sensor connector:
- Female terminal opening is loose.
- Coupler (pin holder) damage
- Pin discoloration (blackness)
- If there are no problems, proceed to next investigation below.

Investigate the standard power supply system for variable resistance type 1
- Confirm that the #3 terminal is at 5 V.
- If the measured voltage on the #3 terminal is 5 V, inspect the following points on the sensor connector.
- If there is no problem, inspect for the following:
- Female terminal opening loose
- Coupler (pin holder) damage
- Pin discoloration (blackness)

- If the #3 terminal measures other than 5 V, inspect for the following:
- Open or short circuit in wiring harness
- Wiring harness/pin crimp is loose or disconnected.

Investigate the ground system for variable resistance type 1
- Confirm that terminal sensor #5 is at 0 V.
- If it is at 0 V, inspect the sensor.
- If necessary, replace the sensor.

- If not, inspect for the following:
- Open or short circuit in wiring harness
- Female terminal opening is loose causing an open or short circuit in wiring harness
- Coupler (pin holder) damage
- Pin discoloration (blackness)
- Wiring harness/pin crimp is loose or disconnected.




Variable resistance type 2 (fuel tank level sensor and mass air flow (MAF) sensor)

Investigate the ground system for variable resistance type 2
- Confirm that terminal sensor #4 is at 0 V.
- If it is at 0 V, inspect the sensor.
- If necessary, replace the sensor.

- If not at 0 V, inspect for the following:
- Open circuit in wiring harness
- Female terminal opening is loose.
- Coupler (pin holder) damage
- Pin discoloration (blackness)
- Wiring harness/pin crimp is loose or disconnected.

Investigate the input signal system for variable resistance type 2
1. When an unusual signal is received, measure the #1 PCM terminal voltage.
- If the #1 terminal voltage and the M-MDS monitor voltage are the same, proceed to the next step.
- If there is a difference of 0.5 V or more, inspect for the following points concerning the PCM connector:
- Female terminal opening is loose.
- Coupler (pin holder) damage
- Pin discoloration (blackness)
- Wiring harness/pin crimp is loose or disconnected.

2. Measure the #2 sensor terminal voltage.
- If there is a 0.5 V or more difference between the sensor and M-MDS voltages, inspect the wiring harness for open or short circuits.
- If the sensor and M-MDS voltages are the same, inspect the following points concerning the sensor connector:
- Female terminal opening is loose.
- Coupler (pin holder) damage
- Pin discoloration (blackness)
- Wiring harness/pin crimp is loose or disconnected.
- If there are no problems, proceed to next investigation below.

Investigate the electrical supply system for variable resistance type 2
- Confirm that the sensor #3 terminal is B+.
- If the measured voltage on the #3 terminal is B+, inspect the following points on the sensor connector.
- If there is no problem, inspect for the following:
- Female terminal opening is loose.
- Coupler (pin holder) damage
- Pin discoloration (blackness)

- If the #3 terminal measures other than B+, inspect the following:
- Open or short circuit in wiring harness
- Wiring harness/pin crimp is loose or disconnected.




Thermistor type (IAT sensor and ECT sensor)

Investigate the input signal system for thermistor type
1. When an unusual signal is received, measure the #1 PCM terminal voltage.
- If the #1 terminal voltage and the M-MDS monitor voltage are the same, proceed to the next step.
- If there is a difference of 0.5 V or more, inspect the following points concerning the PCM connector:
- Female terminal opening loose
- Coupler (pin holder) damage
- Pin discoloration (blackness)
- Wiring harness/pin crimp is loose or disconnected.

2. Measure the #2 sensor terminal voltage.
- If there is a 0.5 V or more difference between the sensor and M-MDS voltages, inspect the wiring harness for open or short circuits.
- If the sensor and M-MDS voltages are the same, inspect the following points concerning the sensor connector:
- Female terminal opening is loose.
- Coupler (pin holder) damage
- Pin discoloration (blackness)
- Wiring harness/pin crimp is loose or disconnected.

- If there are no problems, proceed to next investigation below.

Investigate the ground system for thermistor type
- Confirm that terminal sensor #3 is at 0 V.
- If it is at 0 V, inspect the sensor. If necessary, replace the sensor.
- If not, inspect for the following:
- Open circuit in wiring harness
- Female terminal opening is loose.
- Coupler (pin holder) damage
- Pin discoloration (blackness)
- Wiring harness/pin crimp is loose or disconnected.




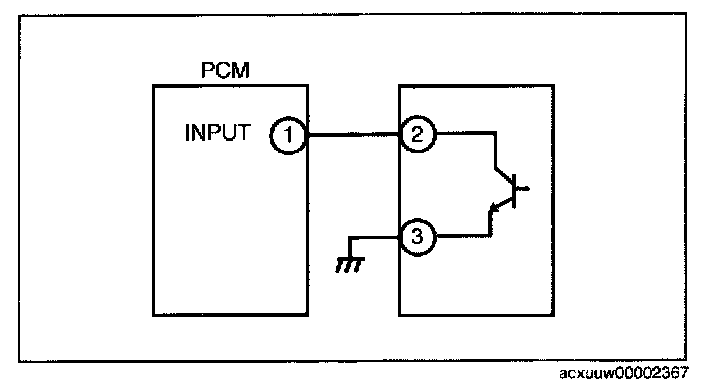
VSS

1. Measure the #1 PCM terminal voltage and confirm that it is at 0 V or 5 V when the ignition switch to the ON position and the engine is idling.
- If it is at 0 V or 5 V, intermittent concern exists. (See INTERMITTENT CONCERN TROUBLESHOOTING[L3 WITH TC].) Intermittent Concern Troubleshooting
- If not, inspect the following points concerning the PCM connector.
- If there is no problem, inspect for the following:
- Female terminal opening is loose.
- Coupler (pin holder) damage
- Pin discoloration (blackness)
- Wiring harness/pin crimp is loose or disconnected.

2. Measure the #2 sensor terminal voltage and confirm that it is at 0 V or 5 V when the ignition switch to the ON position and the engine is idling.
- If it is at 0 V or 5 V, intermittent concern exists. (See INTERMITTENT CONCERN TROUBLESHOOTING[L3 WITH TC].) Intermittent Concern Troubleshooting
- If not, inspect the following points concerning the sensor connector:
- If there is no problem, inspect for the following.
- Female terminal opening is loose.
- Coupler (pin holder) damage
- Pin discoloration (blackness)
- Wiring harness/pin crimp is loose or disconnected.

3. Confirm that the #3 terminal switch voltage is at 0 V.
- If it is at 0 V, inspect the sensor. If necessary, replace the sensor.
- If necessary, replace the sensor.

- If not, inspect for the following:
- Open circuit in wiring harness
- Female terminal opening is loose.
- Coupler (pin holder) damage
- Pin discoloration (blackness)
- Wiring harness/pin crimp is loose or disconnected.

Main Relay Operation Inspection
1. Verify that the main relay clicks when the ignition switch is turned to ON position and then off.
- If there is no operation sound, inspect the following:
- Main relay (See RELAY INSPECTION.)
- Wiring harness and connector between ignition switch and main relay terminal A.
- Wiring harness and connector between PCM terminal 1 AT and main relay terminal B.

Intake Manifold Vacuum Inspection
1. Verify air intake hoses are installed properly.
2. Start the engine and run it is idling.
3. Disconnect the vacuum hose between the intake manifold and purge solenoid valve from the intake manifold side.
4. Connect a vacuum gauge to the intake manifold and measure the intake manifold vacuum.
- If not as specified, inspect the following:

Specification
More than 60 kPa (450 mmHg, 18 inHg)

NOTE:
- Air suction can be located by the engine speed change when lubricant is sprayed on the area where suction is occurring.
- Air suction at throttle body, charge air cooler, intake manifold and PCV valve installation points
- EGR valve (stuck open)
- Engine compression
(See COMPRESSION INSPECTION[L3 WITH TC].)

Electronic Throttle Control System Inspection

Engine coolant temperature compensation inspection
1. Connect the M-MDS to the DLC-2.
2. Select the following PIDs:
- ECT
- IAT
- RPM

3. Verify that the engine is cold, then start the engine.
4. Verify that the engine speed decreases as the engine warms up.
- If the engine speed does not decrease or decreases slowly, inspect the following:
- ECT sensor and related wiring harness
(See ENGINE COOLANT TEMPERATURE (ECT) SENSOR INSPECTION[L3 WITH TC].)
- Electronic throttle body and related wiring harness
(See THROTTLE ACTUATOR INSPECTION[L3 WITH TC].)

Load compensation inspection
1. Start the engine and run it is idling.
2. Connect the M-MDS to the DLC-2.
3. Verify that DTC P0506 or P0507 is not displayed.
- If DTC P0506, or P0507 is displayed, perform the DTC inspection. (See DTC TABLE[L3 WITH TC].) Diagnostic Trouble Code Descriptions

4. Select the RPM PID.

NOTE: Excludes temporary idle speed drop just after the loads are turned on.




5. Verify that the engine speed is within the specification under each load condition.
- If the load condition is not as specified, inspect the following:
- A/C switch and related wiring harness
(See CLIMATE CONTROL UNIT INSPECTION [FULL-AUTO AIR CONDITIONER].)
(See CLIMATE CONTROL UNIT INSPECTION [MANUAL AIR CONDITIONER].)
- Fan switch and related wiring harness
(See CLIMATE CONTROL UNIT INSPECTION [FULL-AUTO AIR CONDITIONER].)
(See CLIMATE CONTROL UNIT INSPECTION [MANUAL AIR CONDITIONER].)
- PSP switch and related wiring harness
(See POWER STEERING PRESSURE (PSP) SWITCH INSPECTION[L3 WITH TC].)

Throttle position (TP) sweep inspection
1. Connect the M-MDS to the DLC-2.
2. Reform the KOER self-test function.
(See KOEO/KOER SELF TEST[L3 WITH TC].) KOEO/KOER Self Test
3. Verify that none of the following DTCs are displayed:
- P0122, P0123, P0222, P0223, P2100, P2101, P2102, P2103, P2107, P2108, P2119, P2122, P2123, P2127, P2128, P2135, P2138
- If any one DTC is displayed, perform the DTC inspection.

4. Access the TP_REL PID.
5. Verify that the PID reading is within the CTP value. (See PCM INSPECTION[L3 WITH TC].) With Manufacturer's Scan Tool
- If the PID reading is out of range, perform the following:
- Remove the air duct from the throttle valve body.
- Verify that the throttle valve opens when the accelerator pedal is depressed.
- If the throttle valve opens, inspect the throttle position sensor and the related wiring harness.
- If the throttle valve does not open, inspect the throttle actuator control motor and the related wiring harness.

6. Gradually depress the throttle pedal and verify that the PID reading increases lineally.
- If the PID reading drops momentarily, inspect the following:
- Throttle position sensor

7. Fully depress the throttle pedal and verify that the PID reading is within the WOT value. (See PCM INSPECTION[L3 WITH TC].) With Manufacturer's Scan Tool
- If the PID reading is out of range, perform the following:
- Remove the air duct from throttle valve body with connector connected.
- Verify that the throttle valve opens when throttle pedal is depressed.
- If the throttle valve opens, inspect the throttle position sensor and the related wiring harness.
- If the throttle valve does not open, inspect the throttle actuator control motor and the related wiring harness.

Variable Swirl System Operation Inspection
1. Connect the M-MDS to the DLC-2.
2. Access the ECT PID.
3. Verify that the ECT PID is below 60 °C (140 °F).
4. Start the engine.




5. Inspect the rod operation under the following conditions:

If the rod operation is not specified, inspect as follows:
1. Perform the KOER self-test using the M-MDS and verify that DTCs No. P2004, P2006, P2009 or P2010 are not displayed.
- If DTC No. P2004, P2006, P2009 or P2010 are displayed, perform DTC inspection. (See DTC TABLE[L3 WITH TC].) Diagnostic Trouble Code Descriptions

If simulation function of M-MDS is used:
1. Turn the ignition switch to the ON position. (Engine off)
2. Turn the variable swirl solenoid valve from off to on using the IMRC PID and verify that the operation sound of the solenoid valve is heard.
- If the operation sound is not heard, replace the variable swirl solenoid valve.
(See VARIABLE SWIRL SOLENOID VALVE INSPECTION[L3 WITH TC].)
- If the operation sound is not heard, inspect the following:
- Vacuum hose and vacuum chamber for looseness or damage
- Shutter valve actuator
(See VARIABLE SWIRL SHUTTER VALVE ACTUATOR INSPECTION[L3 WITH TC].)
- Check valve is stuck open or closed
- Shutter valve cannot move smoothly

If simulation function of M-MDS is not used:
1. Inspect variable swirl solenoid valve.
- If the variable swirl solenoid valve is not normal, replace the variable swirl solenoid valve.
- If the variable swirl solenoid valve is normal, inspect the following:
- Vacuum hose and vacuum chamber for looseness or damage
- Shutter valve actuator
(See VARIABLE SWIRL SHUTTER VALVE ACTUATOR INSPECTION[L3 WITH TC].)
- Check valve is stuck open or closed
- Shutter valve cannot move smoothly

Fuel Injector Operation Inspection

Step 1-Step 5:




If simulation function of M-MDS is used:

Step 1-Step 3:




If simulation function of M-MDS is not used:

Fuel Pump Operation Inspection

If simulation function of M-MDS is not used:
1. Connect the M-MDS to the DLC-2.
2. Remove the fuel-filler cap.
3. Turn the ignition switch to the ON position.
4. Turn the fuel pump relay from off to on using the FP PID and inspect if the operation sound of the fuel pump is heard.
- If no operation sound is heard, proceed to the next step.

5. Measure the voltage at the wiring harness side fuel pump connector terminal B with the FIP PID turned on.
- If the voltage is as specified, inspect the following:
- Fuel pump continuity
- Fuel pump ground
- Wiring harness between the fuel pump relay and PCM terminal 1H

- If not as specified, inspect the following:
- Fuel pump relay
- Fuel pump speed control relay
- Wiring harness connector (Main relay-fuel pump relay-fuel pump resister-fuel pump.)

Specification
8.0-11.5 V (Ignition switch at ON)


If simulation function of M-MDS is not used:

CAUTION: Connecting the wrong check connector terminal may possibly cause a malfunction. Carefully connect the specified terminal only.

1. Short the check connector terminal F/P to body ground using a jumper wire.
2. Remove the fuel-filler cap.
3. Turn the ignition switch to the ON position.
4. Verify that the fuel pump operation sound is heard.
- If no operation sound is heard, proceed to the next step.

5. Measure the voltage at wiring harness side fuel pump connector terminal B.
- If the voltage is as specified, inspect the following:
- Fuel pump continuity
- Fuel pump ground
- Wiring harness between the fuel pump relay and PCM terminal, 1 H

- If not as specified, inspect the following:
- Fuel pump relay
- Fuel pump speed control relay
- Wiring harness connector (Main relay-fuel pump relay-fuel pump resister-fuel pump.)

Specification
8.0-11.5 V (Ignition switch at on)


Fuel Pump Control System Inspection

If simulation function of M-MDS is used:
1. Connect the M-MDS to the DLC-2.
2. Turn the ignition switch to the ON position.
3. Select the FP PID.
4. Turn the fuel pump relay from off to on and inspect if the operation sound of the fuel pump relay is heard.
- If no operation sound is heard, inspect the fuel pump relay.
- If the fuel pump relay is normal, inspect the following:
- Wiring harness and connectors (Main relay-fuel pump relay-PCM terminal 1 H)

If simulation function of M-MDS is not used:
1. Crank the engine and verify that the fuel pump relay operation sound is heard.
2. If the operation sound is not heard, inspect the following:
- Fuel pump relay
- Wiring harness and connectors (Main relay-fuel pump relay-PCM terminal 1 H)

Fuel Cut Control System Inspection

NOTE: This inspection has to be performed after the Fuel Injector Operation Inspection.

If simulation function of M-MDS is used:
1. Warm up the engine and idle it.
2. Connect the M-MDS to the DLC-2.
3. Select the RPM and the FUELPW1 PIDs.
4. Monitor both PIDs while performing the following steps.
1. Depress the accelerator pedal and increase the RPM PID to 4,000 rpm.
2. Quickly release the accelerator pedal (brake pedal is not depressed) and verify that the FUELPW1 PID is 0 msec., and 2 - 5 msec. when the RPM PID drops below 1,200 rpm.
- If not as specified, inspect the following.
- ECT sensor and related wiring harness
(See ENGINE COOLANT TEMPERATURE (ECT) SENSOR INSPECTION[L3 WITH TC].)

If simulation function of M-MDS is not used:
1. Warm up the engine and idle it.
2. Measure the fuel injector control signal wave profile using the oscilloscope while performing the following steps.
1. Depress the accelerator pedal and increase the engine speed to 4,000 rpm.
2. Quickly release the accelerator pedal (brake pedal is not depressed) and verify that the wave profile constant B+, and the wave appears when the engine speed drops below 1,200 rpm.
(See PCM INSPECTION[L3 WITH TC].) With Manufacturer's Scan Tool
- If not as specified, inspect the following.
- ECT sensor and related wiring harness
(See ENGINE COOLANT TEMPERATURE (ECT) SENSOR INSPECTION[L3 WITH TC].)

Fuel Pump Operation Inspection

If simulation function of M-MDS is not used:
1. Connect the M-MDS to the DLC-2.
2. Remove the fuel-filler cap.
3. Turn the ignition switch to the ON position.
4. Turn the fuel pump relay from off to on using the FIP PID and inspect if the operation sound of the fuel pump is heard.
- If no operation sound is heard, proceed to the next step.

5. Measure the voltage at the wiring harness side fuel pump connector terminal B with the FIP PID turned on

- It the voltage is as specified, inspect the following:
- Fuel pump continuity
- Fuel pump ground
- Wiring harness between the fuel pump relay and PCM terminal 1 H

- If not as specified, inspect the following:
- Fuel pump relay
- Fuel pump speed control relay
- Wiring harness connector (Main relay-fuel pump relay-fuel pump resistor-fuel pump.)

Specification
8.0-11.5 V (Ignition switch at ON)

If simulation function of M-MDS is not used:

Caution: Connecting the wrong check connector terminal may possibly cause a malfunction. Carefully connect the specified terminal only.

1. Short the check connector terminal F/P to body ground using a jumper wire.
2. Remove the fuel-filler cap.
3. Turn the ignition switch to the ON position.
4. Verify that the fuel pump operation sound is heard.
- If no operation sound is heard, proceed to the next step.

5. Measure the voltage of wiring harness side fuel pump connector terminal B.
- If the voltage is as specified, inspect the following:
- Fuel pump continuity
- Fuel pump ground
- Wiring harness between the fuel pump relay and PCM terminal, 1 H

- If not as specified, inspect the following:
- Fuel pump relay
- Fuel pump speed control relay
- Wiring harness connector (Main relay-fuel pump relay-fuel pump resister-fuel pump.)

Specification
8.0-11.5 V (Ignition switch at on)